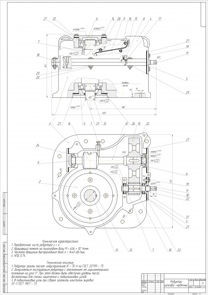
Цилиндро-червячный редуктор
Для полной функциональности этого сайта необходимо включить JavaScript.
Недорого, Ответственно и Скурпулезно
Анатолий Анатольевич
Formard_Dvar
Рейтинг: 128
не верифицирован
Всего отзывов:
3
0
Выполнил заданий:
4
Нейросаммари
Работ в портфолио:
43
Типовых услуг:
0
Работ на продажу:
0
Возраст:
31 год
Зарегистрирован:
07.03.2016
Был на сайте:
2026-02-13 в 14:06
inbox
formard@gmail.com
Предложить работу
Добавить в избранное
Добавить рекомендацию
Пожаловаться
Инженерия
37
0
Цилиндро-червячный редуктор
Используемые навыки:
Чертежи/Схемы
Описание
Решение
Результат
Соавторы
Презентация проекта
Примеры реализации
Описание
Презентация проекта
Оценили проект:
0
×
Оценили проект
×
Авторизация
Для того чтобы оценивать проекты, вам нужно войти на сайт
Другие проекты
Все проекты
Расчет предельно допустимых нагрузок конструкции
Клапан
Коррекс
FREELANCE.RU
Toggle navigation
Нанять фрилансера
Заказчику
Найти по специализации
Найти по услугам
Провести конкурс
Разместить задание
Виртуальный HR
Найти студию
Другое
Найти работу
Фрилансеру
Найти задание
Присоединиться к команде
Участвовать в конкурсе
Предложить услугу
Другое
Возможности
Для заказчика
Для фрилансера
Вход
Разместить задание
▲