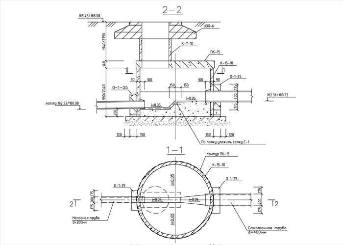
Водобойный колодец
Для полной функциональности этого сайта необходимо включить JavaScript.
Москва
Проектирование инженерных систем и сооружений
Валерий Архипов
arxi5
Рейтинг: 236
не верифицирован
Всего отзывов:
0
Активность:
Работ в портфолио:
147
Типовых услуг:
0
Работ на продажу:
0
Зарегистрирован:
12.08.2013
Был на сайте:
2018-12-27 в 15:27
Предложить работу
Добавить в избранное
Добавить рекомендацию
Пожаловаться
Инженерия
115
0
Водобойный колодец
Используемые навыки:
Строительные конструкции
Описание
Решение
Результат
Соавторы
Презентация проекта
Примеры реализации
Описание
Презентация проекта
Оценили проект:
0
×
Оценили проект
×
Авторизация
Для того чтобы оценивать проекты, вам нужно войти на сайт
Другие проекты
Все проекты
Прдольный профиль водопровода к жилому зданию.
Бетонные работы на ММДЦ Мщсква-Сити.
Строительная часть ВК
FREELANCE.RU
Toggle navigation
Нанять фрилансера
Заказчику
Найти по специализации
Найти по услугам
Провести конкурс
Разместить задание
Виртуальный HR
Найти студию
Другое
Найти работу
Фрилансеру
Найти задание
Присоединиться к команде
Участвовать в конкурсе
Предложить услугу
Другое
Возможности
Для заказчика
Для фрилансера
Вход
Разместить задание
▲