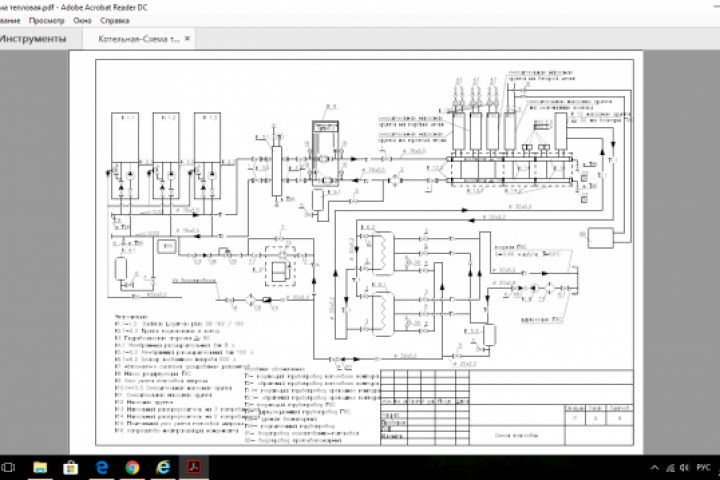
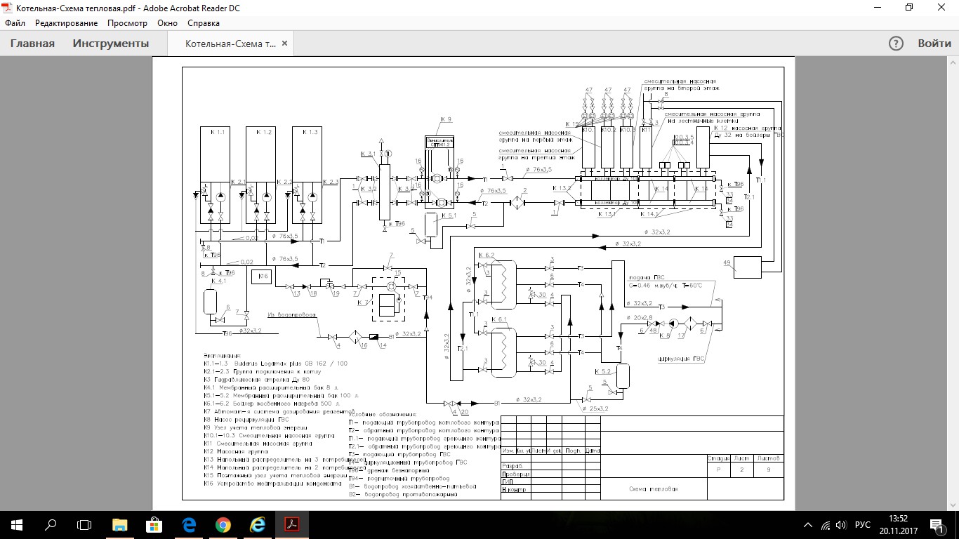
Тепловая схема котельной
Для полной функциональности этого сайта необходимо включить JavaScript.
Санкт-Петербург
38 лет
На сайте с: 02.10.2015
Константин Санников
K.Sannikov
Рейтинг: 74
не верифицирован
Всего отзывов:
0
Работ в портфолио:
4
Типовых услуг:
0
Работ на продажу:
0
Был на сайте:
2019-01-21 в 13:11
79215751381
inbox
Предложить работу
Добавить в избранное
Добавить рекомендацию
Пожаловаться
Инженерия
7
0
Тепловая схема котельной
Описание
Решение
Результат
Соавторы
Презентация проекта
Примеры реализации
Описание
Презентация проекта
Оценили проект:
0
×
Оценили проект
×
Авторизация
Для того чтобы оценивать проекты, вам нужно войти на сайт
Другие проекты
Все проекты
ИОС 20 МВт
схема ТМ
Схема ГСВ
FREELANCE.RU
Toggle navigation
Нанять фрилансера
Заказчику
Найти по специализации
Найти по услугам
Провести конкурс
Разместить задание
Виртуальный HR
Другое
Найти работу
Фрилансеру
Найти задание
Присоединиться к команде
Участвовать в конкурсе
Предложить услугу
Другое
Возможности
Для заказчика
Для фрилансера
Вход
Разместить задание
▲