Рейтинг: 91
не верифицирован
Всего отзывов: 0
  • Работ в портфолио: 21
  • Типовых услуг: 0
  • Работ на продажу: 0
Был на сайте:

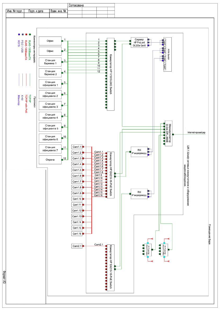
Слаботочные системы для кафе "под ключ".

Используемые навыки:

Описание

Разработаны "под ключ" (от проектирования до монтажа с последующим сервисным обслуживанием) слаботочные системы для подмосковного кафе.

Презентация проекта

pic3294117.jpg
СС_стр-07.jpg

Оценили проект:

0