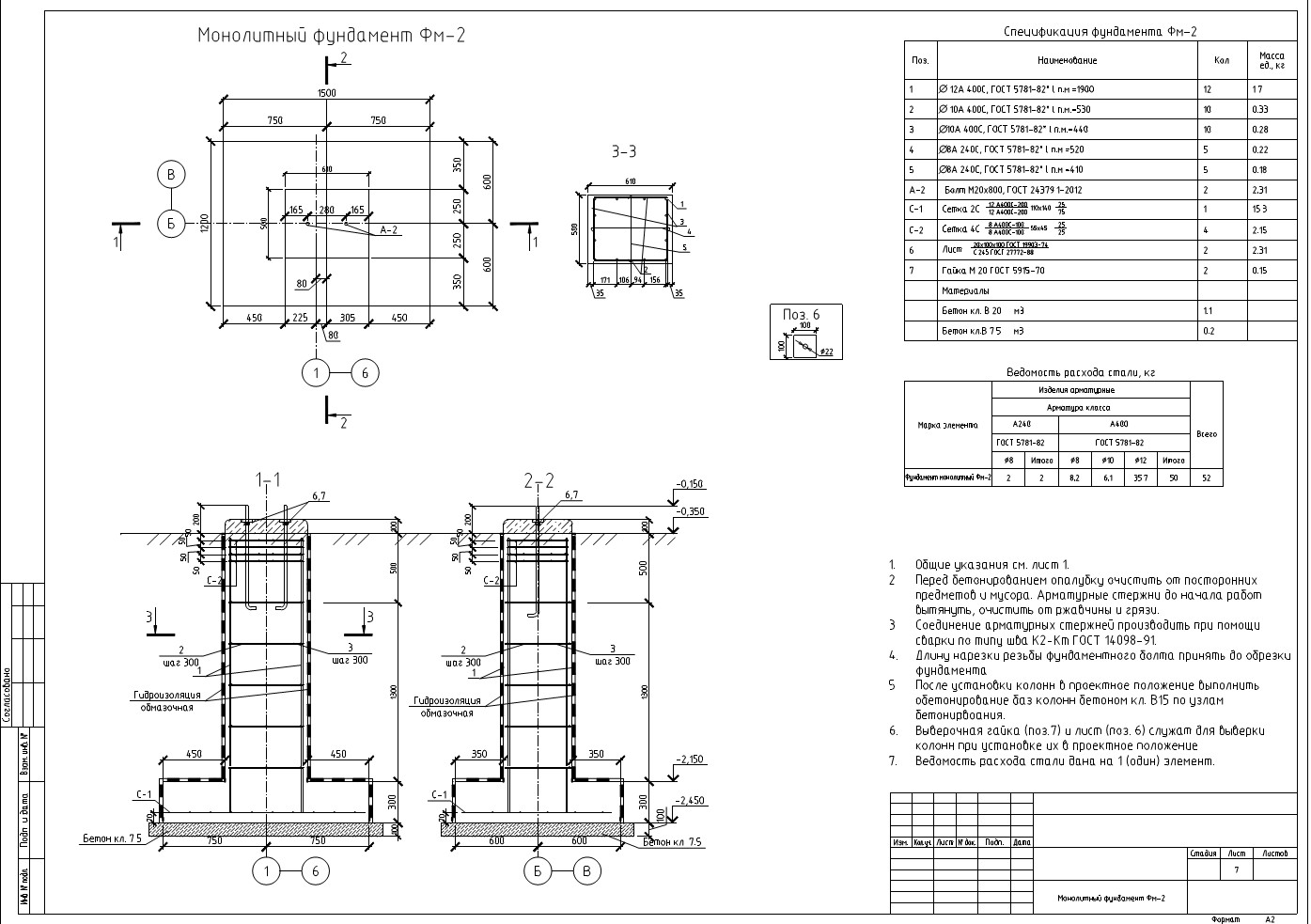
Пример работы по устройству фундаментов для каркаса здания рынка
Для полной функциональности этого сайта необходимо включить JavaScript.
Санкт-Петербург
Разработка чертежей КМ КМД
Максим Блудов
burny
Рейтинг: 169
не верифицирован
Всего отзывов:
2
0
Выполнил заданий:
1
Нейросаммари
Активность:
Работ в портфолио:
54
Типовых услуг:
0
Работ на продажу:
0
Возраст:
33 года
Зарегистрирован:
01.10.2014
Был на сайте:
2026-03-06 в 00:50
+79870345876
inbox
kmkmd-proekt.ru
Вконтакте
Предложить работу
Добавить в избранное
Добавить рекомендацию
Пожаловаться
Инженерия
58
0
Пример работы по устройству фундаментов для каркаса здания рынка
Используемые навыки:
Промышленное и гражданское строительство
Описание
Решение
Результат
Соавторы
Презентация проекта
Примеры реализации
Описание
Ссылки на примеры реализации
vk.com/metallproektgroup
Презентация проекта
Оценили проект:
0
×
Оценили проект
×
Авторизация
Для того чтобы оценивать проекты, вам нужно войти на сайт
Другие проекты
Все проекты
Автосервис в г. Челябинск
Склад автоматизированный
Разработка конструкции для рекламной стеллы
FREELANCE.RU
Toggle navigation
Нанять фрилансера
Заказчику
Каталог фрилансеров
Каталог студий
Каталог услуг
Каталог работ
Виртуальный HR
Умный поиск
Провести конкурс
Разместить задание
Найти работу
Фрилансеру
Найти задание
Присоединиться к команде
Участвовать в конкурсе
Предложить услугу
Вход
Разместить задание
▲