Рейтинг: 50
не верифицирован
Всего отзывов: 0
  • Работ в портфолио: 10
  • Типовых услуг: 0
  • Работ на продажу: 0
Был на сайте:

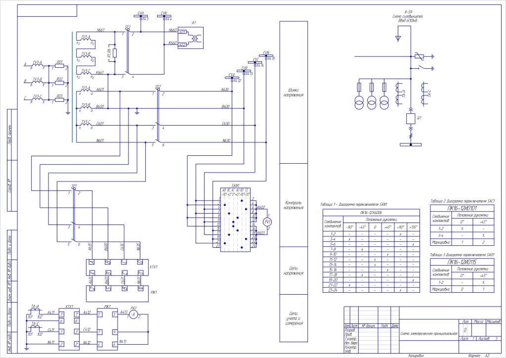
Схема электрическая принципиалньая

Используемые навыки:

Описание

КРУН 6(10) кВ с Микропроцессорной защитой БМРЗ, с Вакуумным выключателем ВВу-СЭЩ-П3 (ячейка Ввод)

Презентация проекта

pic2465050.jpg

Оценили проект:

0