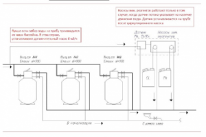
Схема оборудования бассейна
Для полной функциональности этого сайта необходимо включить JavaScript.
Уфа
На сайте с: 02.10.2011
Мария Тарасенко (Титова)
mish-mashka
Рейтинг: 57
не верифицирован
Всего отзывов:
0
Работ в портфолио:
7
Типовых услуг:
0
Работ на продажу:
0
Была на сайте:
2019-04-10 в 10:15
inbox
Вконтакте
Предложить работу
Добавить в избранное
Добавить рекомендацию
Пожаловаться
Инженерия
11
0
Схема оборудования бассейна
Используемые навыки:
Промышленное и гражданское строительство
Описание
Решение
Результат
Соавторы
Презентация проекта
Примеры реализации
Описание
Презентация проекта
Оценили проект:
0
×
Оценили проект
×
Авторизация
Для того чтобы оценивать проекты, вам нужно войти на сайт
Другие проекты
Все проекты
План крыши
План этажей коттеджа
Аксонометрия детали
FREELANCE.RU
Toggle navigation
Нанять фрилансера
Заказчику
Найти по специализации
Найти по услугам
Провести конкурс
Разместить задание
Виртуальный HR
Другое
Найти работу
Фрилансеру
Найти задание
Присоединиться к команде
Участвовать в конкурсе
Предложить услугу
Другое
Возможности
Для заказчика
Для фрилансера
Вход
Разместить задание
▲