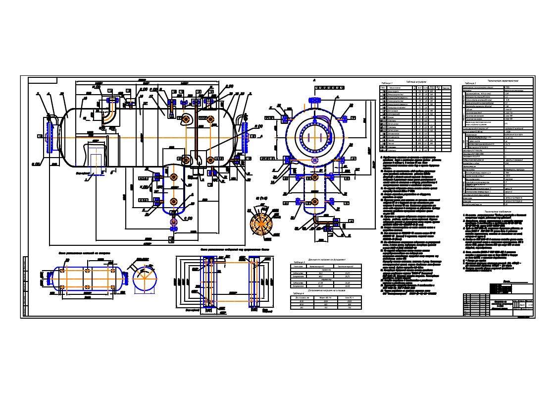
Сепаратор
Для полной функциональности этого сайта необходимо включить JavaScript.
Тамбов
44 года
На сайте с: 17.04.2014
Виктор
AVALON-900
Рейтинг: 75
не верифицирован
Всего отзывов:
0
Работ в портфолио:
25
Типовых услуг:
0
Работ на продажу:
0
Был на сайте:
2019-04-30 в 15:37
inbox
Предложить работу
Добавить в избранное
Добавить рекомендацию
Пожаловаться
Инженерия
35
0
Сепаратор
Используемые навыки:
Машиностроение
Описание
Решение
Результат
Соавторы
Презентация проекта
Примеры реализации
Описание
Презентация проекта
Оценили проект:
0
×
Оценили проект
×
Авторизация
Для того чтобы оценивать проекты, вам нужно войти на сайт
Другие проекты
Все проекты
Газовый канал - свечка
Деталь
Деформация детали
FREELANCE.RU
Toggle navigation
Нанять фрилансера
Заказчику
Найти по специализации
Найти по услугам
Провести конкурс
Разместить задание
Виртуальный HR
Другое
Найти работу
Фрилансеру
Найти задание
Присоединиться к команде
Участвовать в конкурсе
Другое
Возможности
Для заказчика
Для фрилансера
Вход
Разместить задание
▲