Рейтинг: 73
не верифицирован
Всего отзывов: 0
  • Работ в портфолио: 3
  • Типовых услуг: 0
  • Работ на продажу: 0
Был на сайте:

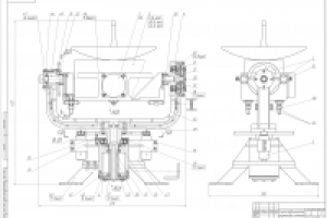
Гиростабилизатор спутниковой антенны

Используемые навыки:

Описание

Двухосный гиростабилизатор спутниковой антенны на волоконно-оптических гироскопах ВГ949П (ЗАО "Физоптика")

Презентация проекта

pic2948748.jpg
МЦХ ГС.png

Оценили проект:

0