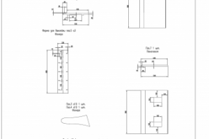
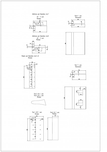
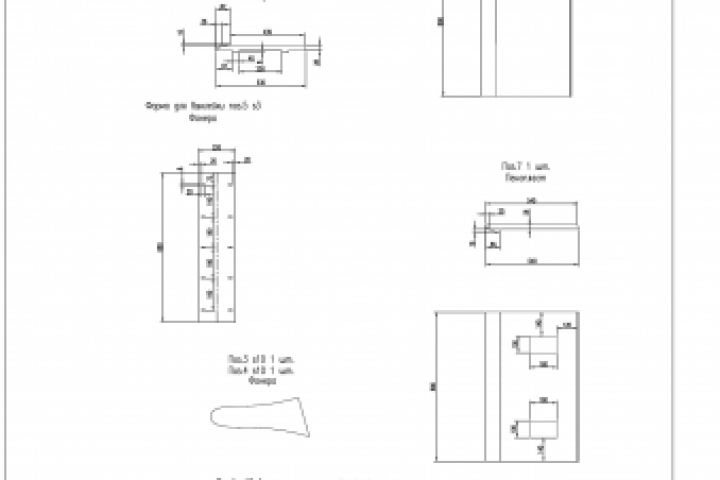
Крыло. Раскрой
Для полной функциональности этого сайта необходимо включить JavaScript.
Санкт-Петербург
На сайте с: 29.06.2017
Павел Аносов
marpoul
Рейтинг: 57
не верифицирован
Всего отзывов:
0
Работ в портфолио:
7
Типовых услуг:
0
Работ на продажу:
0
Был на сайте:
2019-10-09 в 21:33
inbox
Предложить работу
Добавить в избранное
Добавить рекомендацию
Пожаловаться
Инженерия
21
0
Крыло. Раскрой
Используемые навыки:
Проектирование объектов
Описание
Решение
Результат
Соавторы
Презентация проекта
Примеры реализации
Описание
Презентация проекта
Оценили проект:
0
×
Оценили проект
×
Авторизация
Для того чтобы оценивать проекты, вам нужно войти на сайт
Другие проекты
Все проекты
Электростанция. ОБщий вид
Пресс-настил решетчатый
Расчет прочности металлоконструкций
FREELANCE.RU
Toggle navigation
Нанять фрилансера
Заказчику
Найти по специализации
Найти по услугам
Провести конкурс
Разместить задание
Виртуальный HR
Другое
Найти работу
Фрилансеру
Найти задание
Присоединиться к команде
Участвовать в конкурсе
Предложить услугу
Другое
Возможности
Для заказчика
Для фрилансера
Вход
Разместить задание
▲