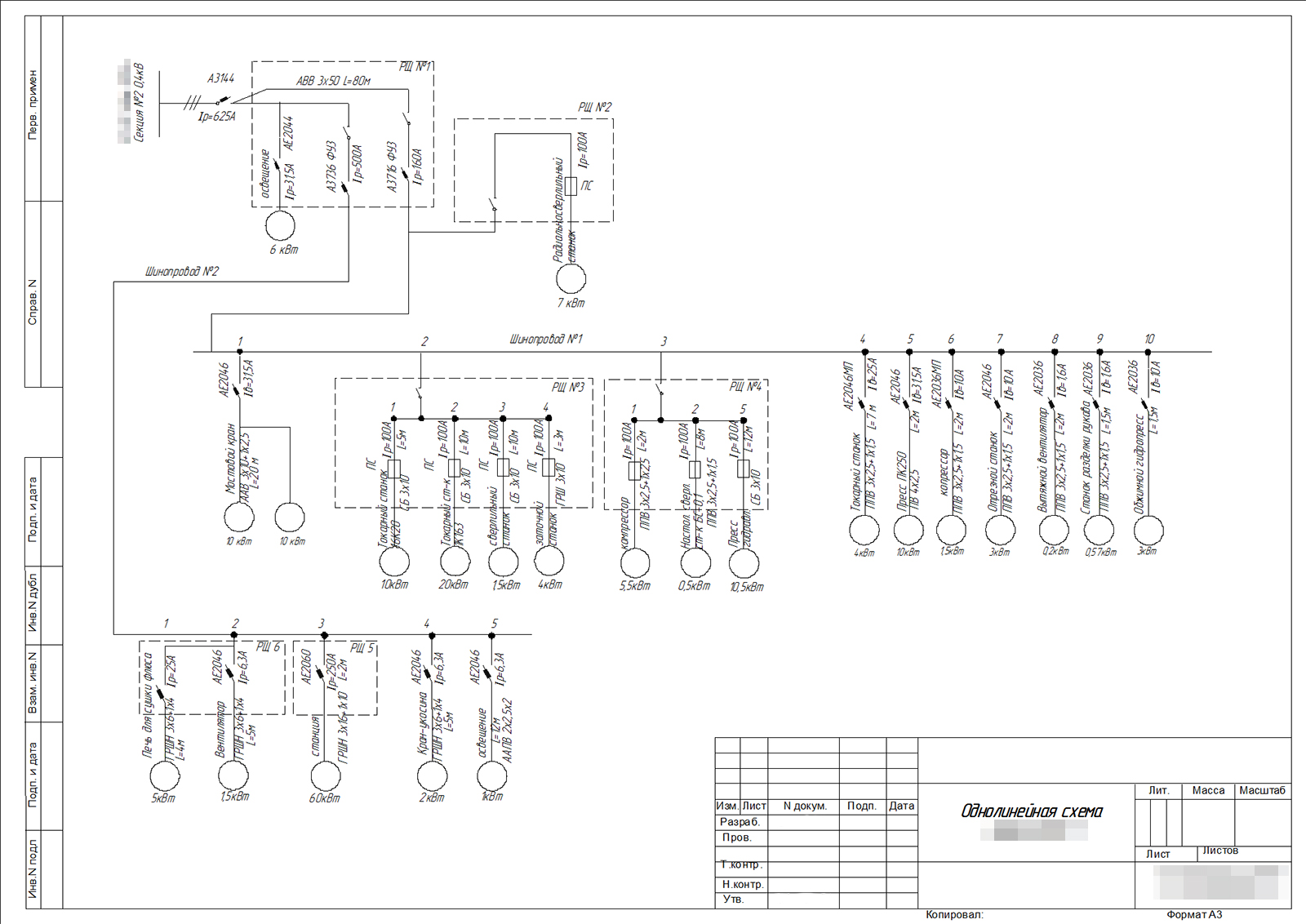
Схема электроснабжения
Для полной функциональности этого сайта необходимо включить JavaScript.
Киев
На сайте с: 13.05.2014
Мария Новикова
MariaGS
Рейтинг: 77
не верифицирован
Всего отзывов:
3
0
Работ в портфолио:
7
Типовых услуг:
0
Работ на продажу:
0
Была на сайте:
2019-10-12 в 11:00
inbox
Предложить работу
Добавить в избранное
Добавить рекомендацию
Пожаловаться
Инженерия
26
0
Схема электроснабжения
Используемые навыки:
Чертежи/Схемы
Описание
Решение
Результат
Соавторы
Презентация проекта
Примеры реализации
Описание
Презентация проекта
Оценили проект:
0
×
Оценили проект
×
Авторизация
Для того чтобы оценивать проекты, вам нужно войти на сайт
Другие проекты
Все проекты
Сборочный чертеж отопительного котла
Инструкция к пивоварне
Анализ диаграммы состояния
FREELANCE.RU
Toggle navigation
Нанять фрилансера
Заказчику
Найти по специализации
Найти по услугам
Провести конкурс
Разместить задание
Виртуальный HR
Другое
Найти работу
Фрилансеру
Найти задание
Присоединиться к команде
Участвовать в конкурсе
Предложить услугу
Другое
Возможности
Для заказчика
Для фрилансера
Вход
Разместить задание
▲