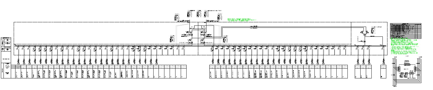
ВРУ ресторана
Для полной функциональности этого сайта необходимо включить JavaScript.
Санкт-Петербург
На сайте с: 13.01.2018
Александр Кострец
aleks178
Рейтинг: 68
не верифицирован
Всего отзывов:
0
Работ в портфолио:
8
Типовых услуг:
0
Работ на продажу:
0
Был на сайте:
2019-12-21 в 00:45
inbox
alek.kostrets@yandex.ru
Предложить работу
Добавить в избранное
Добавить рекомендацию
Пожаловаться
Инженерия
12
0
ВРУ ресторана
Используемые навыки:
Чертежи/Схемы
Описание
Решение
Результат
Соавторы
Презентация проекта
Примеры реализации
Описание
Презентация проекта
Оценили проект:
0
×
Оценили проект
×
Авторизация
Для того чтобы оценивать проекты, вам нужно войти на сайт
Другие проекты
Все проекты
Воздушная линия 0.4кВ
РД ЭС КЛ-04 кВ
Работа 3419498
FREELANCE.RU
Toggle navigation
Нанять фрилансера
Заказчику
Найти по специализации
Найти по услугам
Провести конкурс
Разместить задание
Другое
Найти работу
Фрилансеру
Найти задание
Присоединиться к команде
Участвовать в конкурсе
Другое
Возможности
Для заказчика
Для фрилансера
Вход
Разместить задание
▲