Упаковщик
Для полной функциональности этого сайта необходимо включить JavaScript.
Калининград (Кенигсберг)
ООО "ЛАБОРАТОРИЯ ЦИФРОВЫХ ТЕХНОЛОГИЙ"
progacpp
Рейтинг: 80
не верифицирован
Всего отзывов:
5
0
Выполнено заданий:
8
Активность:
Работ в портфолио:
15
Типовых услуг:
0
Работ на продажу:
0
Зарегистрирован:
27.01.2015
Был на сайте:
2020-02-12 в 01:48
Предложить работу
Добавить в избранное
Добавить рекомендацию
Пожаловаться
Инженерия
61
0
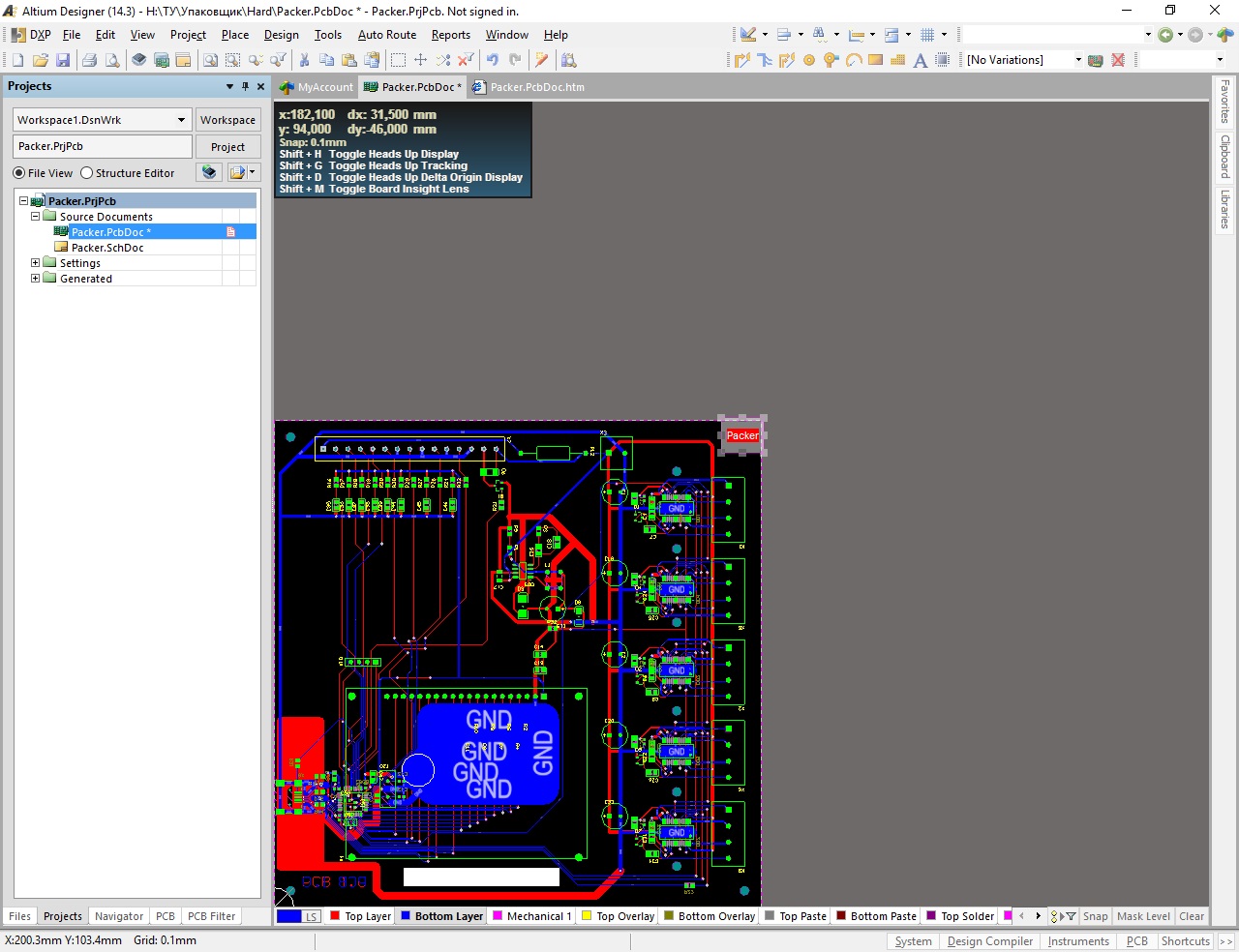
Упаковщик
Используемые навыки:
Машиностроение
Описание
Решение
Результат
Соавторы
Презентация проекта
Примеры реализации
Описание
Ссылки на примеры реализации
1drv.ms/v/s!Aoknf8Fo2Kqd5EGY2g4BPBbYfdFw
Презентация проекта
Оценили проект:
0
×
Оценили проект
×
Авторизация
Для того чтобы оценивать проекты, вам нужно войти на сайт
Другие проекты
Все проекты
Крематорий
Мозговая активность
WebSIP
FREELANCE.RU
Toggle navigation
Нанять фрилансера
Заказчику
Каталог фрилансеров
Каталог PRO
Каталог студий
Каталог услуг
Каталог работ
Виртуальный HR
Умный поиск
Провести конкурс
Разместить задание
Найти работу
Найти задание
Присоединиться к команде
Участвовать в конкурсе
Предложить услугу
Вход
Разместить задание
▲