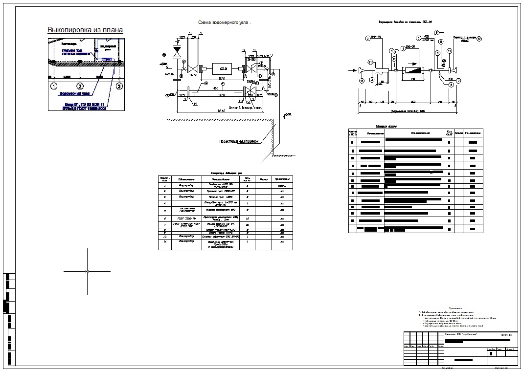
Насосная и ВУ (Обнинск)
Для полной функциональности этого сайта необходимо включить JavaScript.
Москва
Проектирую сети водоснабжения и канализации
Олег Нохрин
oleg-nohrin
Рейтинг: 494
не верифицирован
Всего отзывов:
1
0
Нейросаммари
Активность:
Работ в портфолио:
153
Типовых услуг:
0
Работ на продажу:
0
Возраст:
47 лет
Зарегистрирован:
22.08.2011
Был на сайте:
2026-04-14 в 16:38
8-909-6735152
inbox
oleg-nohrin@mail.ru
Предложить работу
Добавить в избранное
Добавить рекомендацию
Пожаловаться
Инженерия
37
0
Насосная и ВУ (Обнинск)
Используемые навыки:
Водоснабжение и водоотведение
Описание
Решение
Результат
Соавторы
Презентация проекта
Примеры реализации
Описание
Насосная и ВУ (Обнинск)
Презентация проекта
Оценили проект:
0
×
Оценили проект
×
Авторизация
Для того чтобы оценивать проекты, вам нужно войти на сайт
Другие проекты
Все проекты
Дренаж Салтыковка
НВК подключение здания (Дубровка)
ВК Профсоюзная
FREELANCE.RU
Toggle navigation
Нанять фрилансера
Заказчику
Каталог фрилансеров
Каталог PRO
Каталог студий
Каталог услуг
Каталог работ
Виртуальный HR
Умный поиск
Провести конкурс
Разместить задание
Найти работу
Найти задание
Присоединиться к команде
Участвовать в конкурсе
Предложить услугу
Вход
Разместить задание
▲