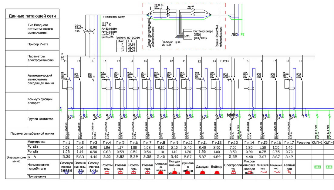
Электроснабжение
Для полной функциональности этого сайта необходимо включить JavaScript.
Москва
быстрое проектирование
Даниил Новиков
playday
Рейтинг: 150
не верифицирован
Всего отзывов:
0
Работ в портфолио:
80
Типовых услуг:
0
Работ на продажу:
0
Возраст:
42 года
Зарегистрирован:
12.03.2015
Был на сайте:
2020-03-31 в 11:07
inbox
dayplay4you@gmail.com
Предложить работу
Добавить в избранное
Добавить рекомендацию
Пожаловаться
Инженерия
24
0
Электроснабжение
Используемые навыки:
Электроснабжение
Описание
Решение
Результат
Соавторы
Презентация проекта
Примеры реализации
Описание
Презентация проекта
Оценили проект:
0
×
Оценили проект
×
Авторизация
Для того чтобы оценивать проекты, вам нужно войти на сайт
Другие проекты
Все проекты
Кондиционирование
Вентиляция
Вентиляция
FREELANCE.RU
Toggle navigation
Нанять фрилансера
Заказчику
Найти по специализации
Найти по услугам
Провести конкурс
Разместить задание
Виртуальный HR
Найти студию
Другое
Найти работу
Фрилансеру
Найти задание
Присоединиться к команде
Участвовать в конкурсе
Предложить услугу
Другое
Возможности
Для заказчика
Для фрилансера
Вход
Разместить задание
▲