Отопление
Для полной функциональности этого сайта необходимо включить JavaScript.
Москва
42 года
На сайте с: 12.03.2015
быстрое проектирование
Даниил Новиков
playday
Рейтинг: 150
не верифицирован
Всего отзывов:
0
Работ в портфолио:
80
Типовых услуг:
0
Работ на продажу:
0
Был на сайте:
2020-03-31 в 11:07
inbox
dayplay4you@gmail.com
Предложить работу
Добавить в избранное
Добавить рекомендацию
Пожаловаться
Инженерия
15
0
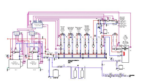
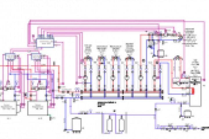
Отопление
Используемые навыки:
Теплоснабжение/Отопление/Вентиляция
Описание
Решение
Результат
Соавторы
Презентация проекта
Примеры реализации
Описание
Презентация проекта
Оценили проект:
0
×
Оценили проект
×
Авторизация
Для того чтобы оценивать проекты, вам нужно войти на сайт
Другие проекты
Все проекты
Планировка
Бассейны
Аксонометрия
FREELANCE.RU
Toggle navigation
Нанять фрилансера
Заказчику
Найти по специализации
Найти по услугам
Провести конкурс
Разместить задание
Собрать команду
Другое
Найти работу
Фрилансеру
Найти задание
Присоединиться к команде
Участвовать в конкурсе
Другое
Возможности
Для заказчика
Для фрилансера
Вход
Разместить задание
▲