Рейтинг: 127
не верифицирован
Всего отзывов: 0
  • Работ в портфолио: 67
  • Типовых услуг: 0
  • Работ на продажу: 0
Был на сайте:

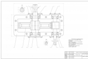
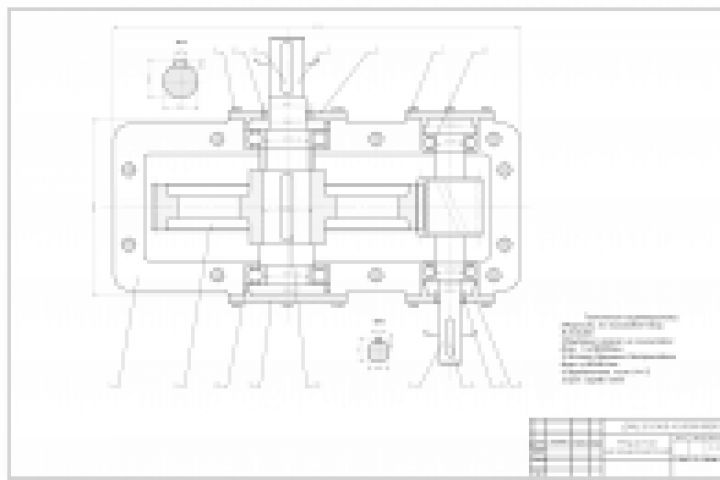
Редуктор

Используемые навыки:

Описание

Чертеж общего вида цилиндрического одноступенчатого редуктора. Выполнено в программе Autocad 2009.

Презентация проекта

pic2337114.jpg

Оценили проект:

0