Реконструкция системы отопления
Для полной функциональности этого сайта необходимо включить JavaScript.
Москва
Илья Кудин
ivk2040118
Рейтинг: 84
не верифицирован
Всего отзывов:
0
Выполнил заданий:
1
Работ в портфолио:
14
Типовых услуг:
0
Работ на продажу:
0
Возраст:
50 лет
Зарегистрирован:
23.12.2018
Был на сайте:
2020-04-23 в 13:40
inbox
2040118@mail.ru
Предложить работу
Добавить в избранное
Добавить рекомендацию
Пожаловаться
Инженерия
11
0
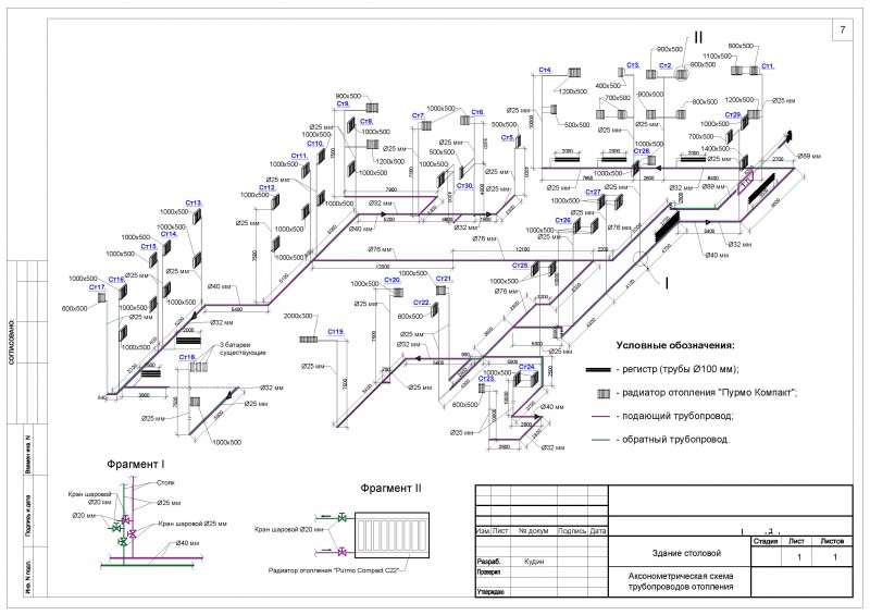
Реконструкция системы отопления
Используемые навыки:
Промышленное и гражданское строительство
Описание
Решение
Результат
Соавторы
Презентация проекта
Примеры реализации
Описание
Презентация проекта
Оценили проект:
0
×
Оценили проект
×
Авторизация
Для того чтобы оценивать проекты, вам нужно войти на сайт
Другие проекты
Все проекты
Работа 3579763
РД, раздел ЭОМ
Работа 3579764
FREELANCE.RU
Toggle navigation
Нанять фрилансера
Заказчику
Найти по специализации
Найти по услугам
Провести конкурс
Разместить задание
Виртуальный HR
Найти студию
Другое
Найти работу
Фрилансеру
Найти задание
Присоединиться к команде
Участвовать в конкурсе
Предложить услугу
Другое
Возможности
Для заказчика
Для фрилансера
Вход
Разместить задание
▲