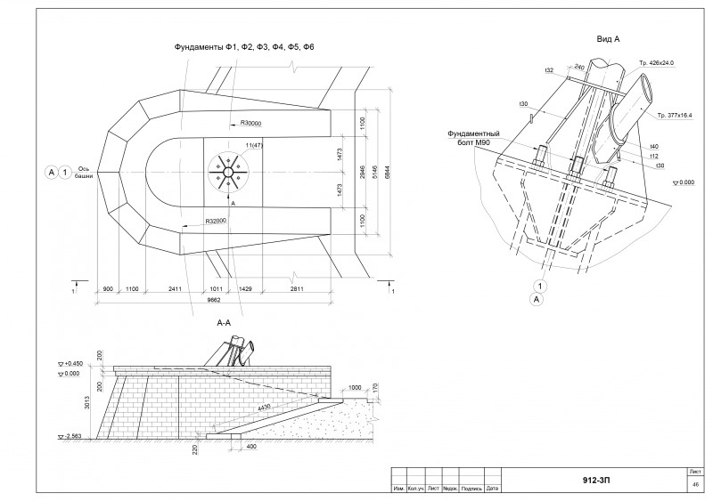
Техническое обследование здания, фундаменты
Для полной функциональности этого сайта необходимо включить JavaScript.
Нижний Новгород
Светлана Карпова
Jgamma
Рейтинг: 86
не верифицирован
Всего отзывов:
0
Опубликовала заданий:
4
Работ в портфолио:
16
Типовых услуг:
0
Работ на продажу:
0
Возраст:
35 лет
Зарегистрирован:
26.04.2017
Была на сайте:
2020-07-17 в 21:29
Предложить работу
Добавить в избранное
Добавить рекомендацию
Пожаловаться
Инженерия
70
0
Техническое обследование здания, фундаменты
Используемые навыки:
Чертежи/Схемы
Описание
Решение
Результат
Соавторы
Презентация проекта
Примеры реализации
Описание
Презентация проекта
Оценили проект:
0
×
Оценили проект
×
Авторизация
Для того чтобы оценивать проекты, вам нужно войти на сайт
Другие проекты
Все проекты
Техническое обследование здания, карта дефектов
Техническое обследование объекта АМС
Техническое обследование здания, карта дефектов
FREELANCE.RU
Toggle navigation
Нанять фрилансера
Заказчику
Каталог фрилансеров
Каталог PRO
Каталог студий
Каталог услуг
Каталог работ
Виртуальный HR
Умный поиск
Провести конкурс
Разместить задание
Найти работу
Найти задание
Присоединиться к команде
Участвовать в конкурсе
Предложить услугу
Вход
Разместить задание
▲