Объявления об услугах пользователя Айгиз Чанышев
Для полной функциональности этого сайта необходимо включить JavaScript.
Все услуги
Freelance.Ru
Фрилансеры
Каталог услуг фрилансеров
Айгиз Чанышев
Айгиз Чанышев
aigiz9393
Рейтинг: 20
не верифицирован
Всего отзывов:
0
Работ в портфолио:
0
Типовых услуг:
1
Работ на продажу:
0
Зарегистрирован:
01.10.2025
Был на сайте:
2026-05-21 в 13:03
inbox
Предложить работу
Добавить в избранное
Добавить рекомендацию
Пожаловаться
Объявления об услугах пользователя Айгиз Чанышев
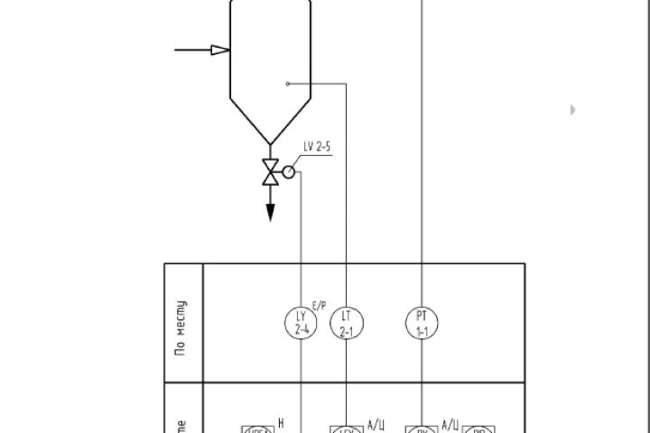
Разработка функциональной схемы автоматизации
Назад
Вперед
Айгиз Чанышев
2 300
/ 5 дней
Посмотреть все объявления об услугах
FREELANCE.RU
Toggle navigation
Нанять фрилансера
Заказчику
Каталог фрилансеров
Каталог PRO
Каталог студий
Каталог услуг
Каталог работ
Виртуальный HR
Умный поиск
Провести конкурс
Разместить задание
Найти работу
Найти задание
Присоединиться к команде
Участвовать в конкурсе
Предложить услугу
Вход
Разместить задание
▲