Рейтинг: 20
не верифицирован
Всего отзывов: 0
  • Работ в портфолио: 0
  • Типовых услуг: 1
  • Работ на продажу: 0
Был на сайте:

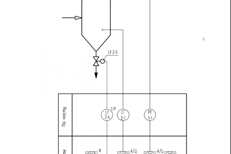
Разработка функциональной схемы автоматизации

2 300 руб
сделаю за 5 дней

19

1. Разработка равеёрнутой (полной) функциональной схемы автоматизации (ФСА) по заданной упрощенной схеме.
2. Подбор средств автоматизации (приборов, датчиков, исполнительных устройств, контроллеров) с учетом указанных технологических параметров.
3. Описание выбранных средств автоматизации.
4. Описание контуров контроля, управления, регулирования, сигнализации (защиты) требуемых технологических параметров.
5. Разработка спецификации оборудования (в виде таблицы).

Разработка функциональной схемы автоматизации
Разработка функциональной схемы автоматизации
Разработка функциональной схемы автоматизации
Заказать услугу

Вернуться в каталог