Схемотехника - сестра математики

Александр Трофимов at8174

Рейтинг: 59
не верифицирован
Всего отзывов: 0
  • Работ в портфолио: 9
  • Типовых услуг: 1
  • Работ на продажу: 0
Был на сайте:

Схема структурная, функциональная, схема АУПС, оборудования оповещения

1 000 руб
сделаю за 2 дня

88

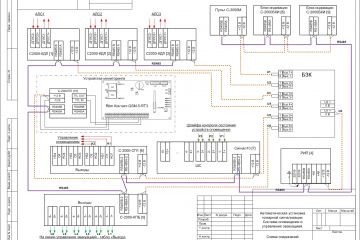
Выполню структурные и функциональные схемы, схемы систем пожаротушения, схемы АУПС, схемы оборудования оповещения, алгоритм работы АУПС в программе MS Visio по Вашим эскизам, проектам или спецификациям. Прикреплены примеры схем.

Схема структурная, функциональная, схема АУПС, оборудования оповещения
Схема структурная, функциональная, схема АУПС, оборудования оповещения
Схема структурная, функциональная, схема АУПС, оборудования оповещения
Заказать услугу

Вернуться в каталог