Рейтинг: 20
не верифицирован
Всего отзывов: 0
  • Работ в портфолио: 0
  • Типовых услуг: 1
  • Работ на продажу: 0
  • Зарегистрирован: 30.01.2026
Был на сайте:

Разработка гидросистем любой сложности

100 000 руб
сделаю за 30 дней

23

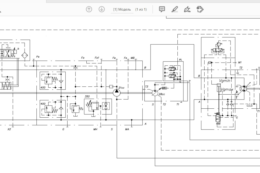
Расчет и разработка принципиальных гидравлическим схем, конструкторской документации гидросистем в соответствии с ЕСКД. 3Д моделирование подключения РВД и гидравлических узлов.

Разработка гидросистем любой сложности
Заказать услугу

Вернуться в каталог