Рейтинг: 31
не верифицирован
Всего отзывов: 0
  • Работ в портфолио: 1
  • Типовых услуг: 1
  • Работ на продажу: 0
  • Зарегистрирован: 22.05.2016
  • Образование: Магистратура
Был на сайте:

Проектирование слаботочных систем. Пусконаладочные работы.

1 руб
сделаю за 1 день

39

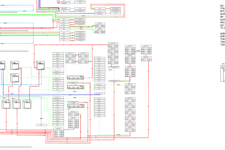
Разработка проектной документации стадии "Р" таких, как Комплексная автоматизация, СКС, Система оповещения и управления эвакуацией людей при пожаре, Система охранно-тревожной сигнализации, Система контроля и управления доступом, Система охранного телевидения, Система громкой связи, Система передачи данных, Система подсчёта посетителей, Система управления автомобильной парковкой, Система кабеленесущих конструкций, Система пожарной сигнализации.

Проектирование слаботочных систем. Пусконаладочные работы.
Проектирование слаботочных систем. Пусконаладочные работы.
Проектирование слаботочных систем. Пусконаладочные работы.
Заказать услугу

Вернуться в каталог