Рейтинг: 20
не верифицирован
Всего отзывов: 0
  • Работ в портфолио: 0
  • Типовых услуг: 3
  • Работ на продажу: 0
  • Зарегистрирован: 08.12.2022
Был на сайте:

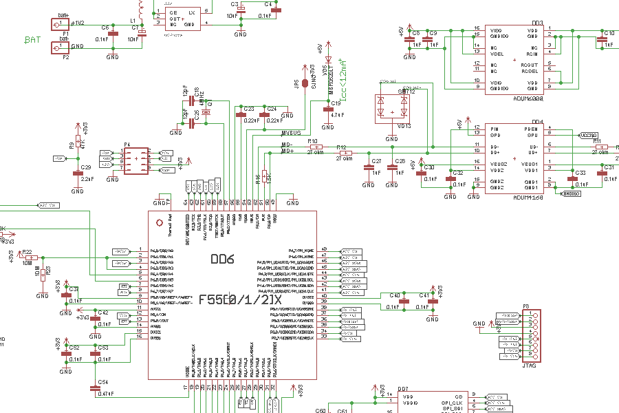
Проектирование и разработка принципиальных электрических схем.

1 500 руб
сделаю за 3 дня

266

Проектирование и разработка принципиальных электрических схем.
Цифровая и аналоговая электроника.
Выполнение чертежей принципиальных электрических схем:
- по тех.заданию;
- по эскизам или образцу;
- по фотографии;
- по описанию электрической схемы.
Расчет электрической схемы, подбор элементов, поиск аналогов.
Составление перечня элементов.
Среда разработки Eagle / EasyEDA / Altium Designer / PCAD

Для заказа желательно наличие:
-Принципиальная схема в любом формате: бумажный читаемый скан, фото, или нарисованная от руки.
-Перечень элементов.
-Чертежи нестандартных элементов.
-Прочие технические требования.

Проектирование и разработка принципиальных электрических схем.
Проектирование и разработка принципиальных электрических схем.
Проектирование и разработка принципиальных электрических схем.
Заказать услугу

Вернуться в каталог