Рейтинг: 20
не верифицирован
Всего отзывов: 0
  • Работ в портфолио: 0
  • Типовых услуг: 1
  • Работ на продажу: 0
Был на сайте:

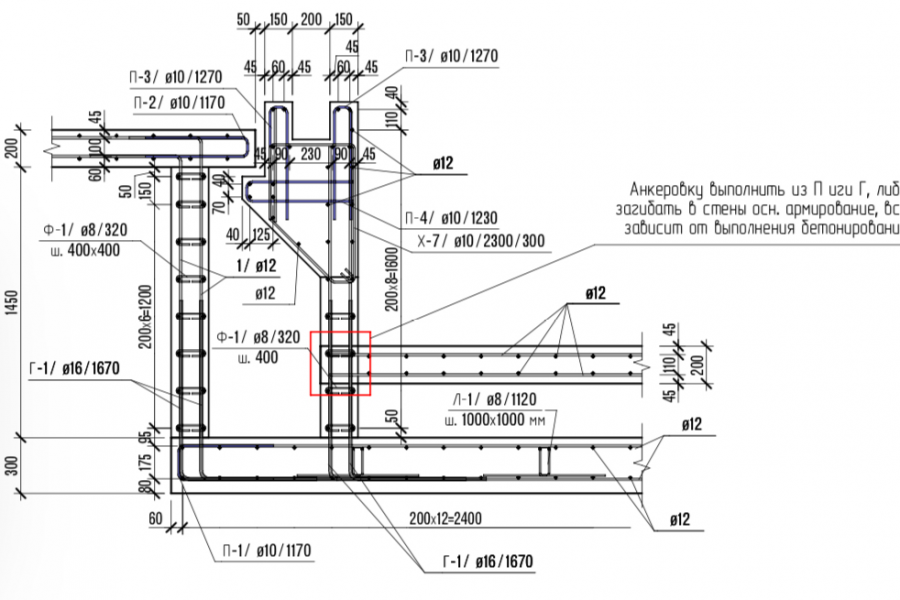
Проектирование и расчет фундаментов, перекрытий , балок и т.д

10 000 руб
сделаю за 14 дней

15

Рассчитываю и проектирую ленточные, плитные и свайные фундаменты по геологическим изысканиям, а также занимаюсь сопровождением и проверкой проектной документации
Расчёт ж/б каркаса (балок, плит, пилонов, колонн и т.д)
Цена будет зависеть от сложности , сроков и объема работ
А также выполняю чертежи в программе Revit, все конструкции моделирую в 3д

Проектирование и расчет фундаментов, перекрытий , балок и т.д
Заказать услугу

Вернуться в каталог