Рейтинг: 67
не верифицирован
Всего отзывов: 0
  • Работ в портфолио: 7
  • Типовых услуг: 2
  • Работ на продажу: 0
Был на сайте:

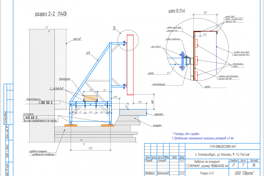
Проект крышной и/или фасадной вывески

15 000 руб
сделаю за 5 дней

16

Подготовлю проект крышной или фасадной вывески.
Проект включает в себя:
* Ведомость рабочих чертежей с техническими требованиями;
* Информация о конструкции (точное расположение, локальная привязка, технические требования);
* Чертеж общего вида закладных конструкции;
* Чертежи монтажных узлов
* Чертежи стоек и закладных;
* Чертеж общего вида металлоконструкций;
* Схема расположения;
* Чертеж рамы, кронштейнов;
* Спецификация марок

При необходимости в проект может быть добавлена дополнительная информация - например монтажная электрическая схема, раскладка светодиодов, фотопривязка, ситуационный план и прочее (по договоренности).

Проект крышной и/или фасадной вывески
Проект крышной и/или фасадной вывески
Проект крышной и/или фасадной вывески
Заказать услугу

Вернуться в каталог