Рейтинг: 45
не верифицирован
Всего отзывов: 0
  • Работ в портфолио: 0
  • Типовых услуг: 0
  • Работ на продажу: 1
Был на сайте:

Продаю: Комплект документации на глубокорыхлитель

30 000 руб
Доработка: 10 000 руб

18

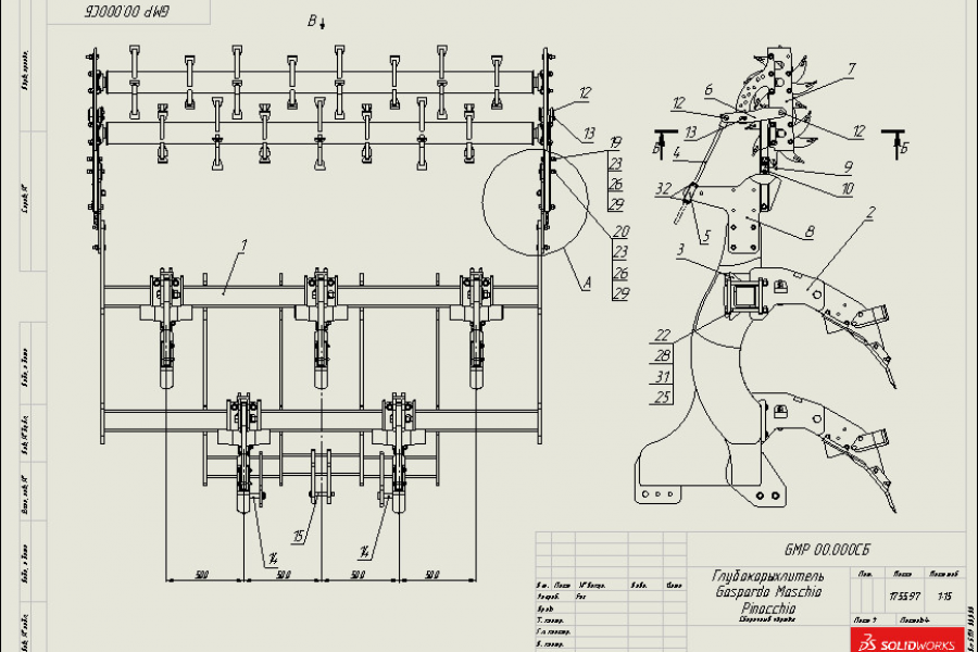
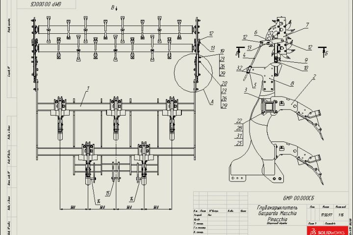
Комплект чертежей и модель (сделана в SolidWorks 2020), чертежи в формате pdf, развертки в формате dxf для изготовления навесного глубокорыхлителя Gaspardo Pinocchio.

Комплект документации на глубокорыхлитель
Комплект документации на глубокорыхлитель
Комплект документации на глубокорыхлитель