Модернизация НС
Для полной функциональности этого сайта необходимо включить JavaScript.
Тула
Посредников прошу не беспокоить.
Дмитрий Иверов
alternier
Рейтинг: 146
не верифицирован
Всего отзывов:
11
1
Выполнил заданий:
15
Работ в портфолио:
41
Типовых услуг:
0
Работ на продажу:
0
Зарегистрирован:
24.12.2019
Был на сайте:
2021-07-27 в 19:40
Предложить работу
Добавить в избранное
Добавить рекомендацию
Пожаловаться
Инженерия
29
0
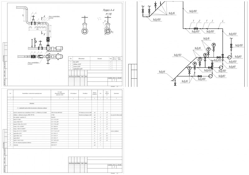
Модернизация НС
Используемые навыки:
Проектирование объектов
Описание
Решение
Результат
Соавторы
Презентация проекта
Примеры реализации
Описание
Презентация проекта
Оценили проект:
0
×
Оценили проект
×
Авторизация
Для того чтобы оценивать проекты, вам нужно войти на сайт
Другие проекты
Все проекты
Проект АПС, АСПТ АГГС.
Парта для частного детского образовательного учреждения
АТХ котельной
FREELANCE.RU
Toggle navigation
Нанять фрилансера
Заказчику
Найти по специализации
Найти по услугам
Провести конкурс
Разместить задание
Виртуальный HR
Найти студию
Другое
Найти работу
Фрилансеру
Найти задание
Присоединиться к команде
Участвовать в конкурсе
Предложить услугу
Другое
Возможности
Для заказчика
Для фрилансера
Вход
Разместить задание
▲