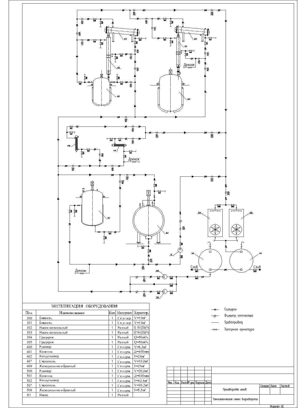
Производство лаков (Схема)
Для полной функциональности этого сайта необходимо включить JavaScript.
Инженер-технолог
Тимур Доля
besik38
Рейтинг: 128
не верифицирован
Всего отзывов:
1
0
Выполнил заданий:
2
Работ в портфолио:
53
Типовых услуг:
0
Работ на продажу:
0
Возраст:
42 года
Зарегистрирован:
25.02.2014
Был на сайте:
2022-04-21 в 03:52
inbox
zero_hour_08@mail.ru
Предложить работу
Добавить в избранное
Добавить рекомендацию
Пожаловаться
Инженерия
45
0
Производство лаков (Схема)
Используемые навыки:
Чертежи/Схемы
Описание
Решение
Результат
Соавторы
Презентация проекта
Примеры реализации
Описание
Презентация проекта
Оценили проект:
0
×
Оценили проект
×
Авторизация
Для того чтобы оценивать проекты, вам нужно войти на сайт
Другие проекты
Все проекты
Освещение (План 1-го этажа)
Однолинейная схема (Охотничий домик)
ЭОМ
FREELANCE.RU
Toggle navigation
Нанять фрилансера
Заказчику
Найти по специализации
Найти по услугам
Провести конкурс
Разместить задание
Виртуальный HR
Найти студию
Другое
Найти работу
Фрилансеру
Найти задание
Присоединиться к команде
Участвовать в конкурсе
Предложить услугу
Другое
Возможности
Для заказчика
Для фрилансера
Вход
Разместить задание
▲