Рейтинг: 2 806
не верифицирован
Всего отзывов: 7 0
Выполнил заданий: 42
  • Работ в портфолио: 76
  • Типовых услуг: 0
  • Работ на продажу: 0
Был на сайте:

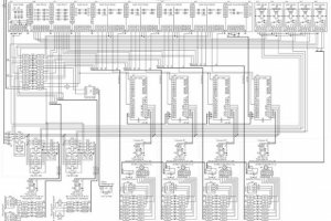
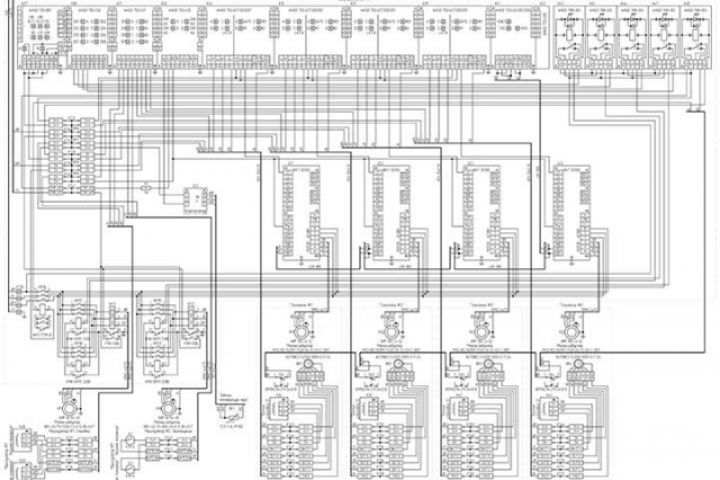
Схемы #01

Используемые навыки:

Описание

Разработка принципиальных схем оборудования автоматизации

Ссылки на примеры реализации

 getal.ru/#schem_01

Презентация проекта

pic3398813.jpg

Оценили проект:

0