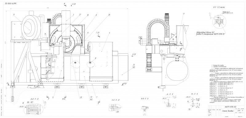
Сборочный чертеж фрезерного центра
Для полной функциональности этого сайта необходимо включить JavaScript.
Москва
Комплексные решения в области машиностроения и биотехнологии
Imago Engineering
imagoengineering
Рейтинг: 93
не верифицирован
Всего отзывов:
6
0
Выполнено заданий:
4
Опубликовано заданий:
12
Работ в портфолио:
23
Типовых услуг:
0
Работ на продажу:
0
Зарегистрирован:
02.04.2019
Был на сайте:
2022-08-21 в 21:55
Предложить работу
Добавить в избранное
Добавить рекомендацию
Пожаловаться
Инженерия
47
0
Сборочный чертеж фрезерного центра
Используемые навыки:
Чертежи/Схемы
Описание
Решение
Результат
Соавторы
Презентация проекта
Примеры реализации
Описание
Презентация проекта
Оценили проект:
0
×
Оценили проект
×
Авторизация
Для того чтобы оценивать проекты, вам нужно войти на сайт
Другие проекты
Все проекты
Поверхностное моделирование
Электроконтактный станок
Винтовой дровокол
FREELANCE.RU
Toggle navigation
Нанять фрилансера
Заказчику
Найти по специализации
Найти по услугам
Провести конкурс
Разместить задание
Виртуальный HR
Найти студию
Другое
Найти работу
Фрилансеру
Найти задание
Присоединиться к команде
Участвовать в конкурсе
Предложить услугу
Другое
Возможности
Для заказчика
Для фрилансера
Вход
Разместить задание
▲