Heavy_1
Для полной функциональности этого сайта необходимо включить JavaScript.
Пермь
На сайте с: 25.03.2012
Петр Ли
PeterLi
Рейтинг: 2 830
не верифицирован
Всего отзывов:
7
1
Выполнил заданий:
11
Нейросаммари
Активность:
Работ в портфолио:
93
Типовых услуг:
0
Работ на продажу:
0
Юридический статус:
Самозанятый
Был на сайте:
2025-12-07 в 16:23
+79048461129
inbox
telegram
peterli2679@gmail.com
peterli2679.github.io/115FULL/
Предложить работу
Добавить в избранное
Добавить рекомендацию
Пожаловаться
Инженерия
88
0
Heavy_1
Используемые навыки:
Машиностроение
Описание
Решение
Результат
Соавторы
Презентация проекта
Примеры реализации
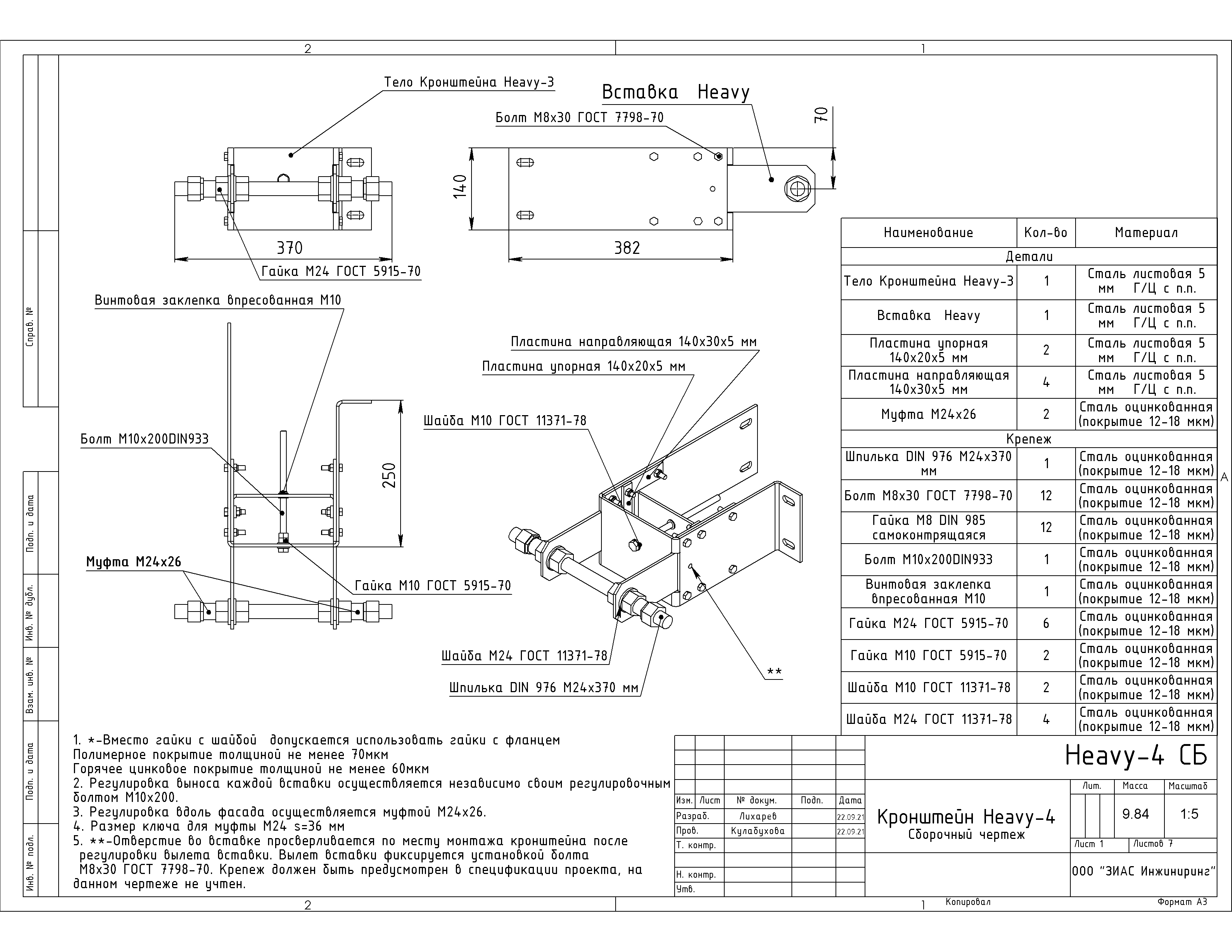
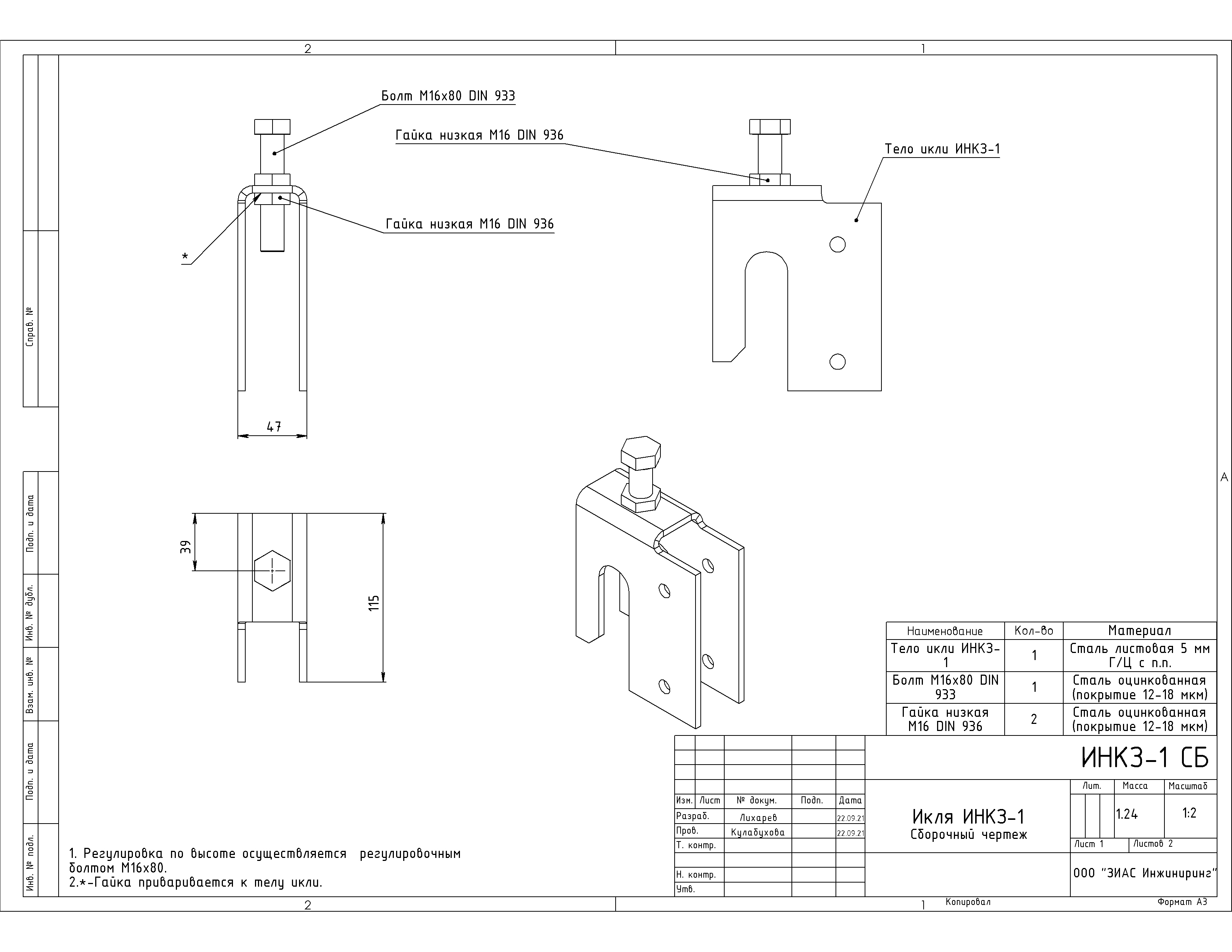
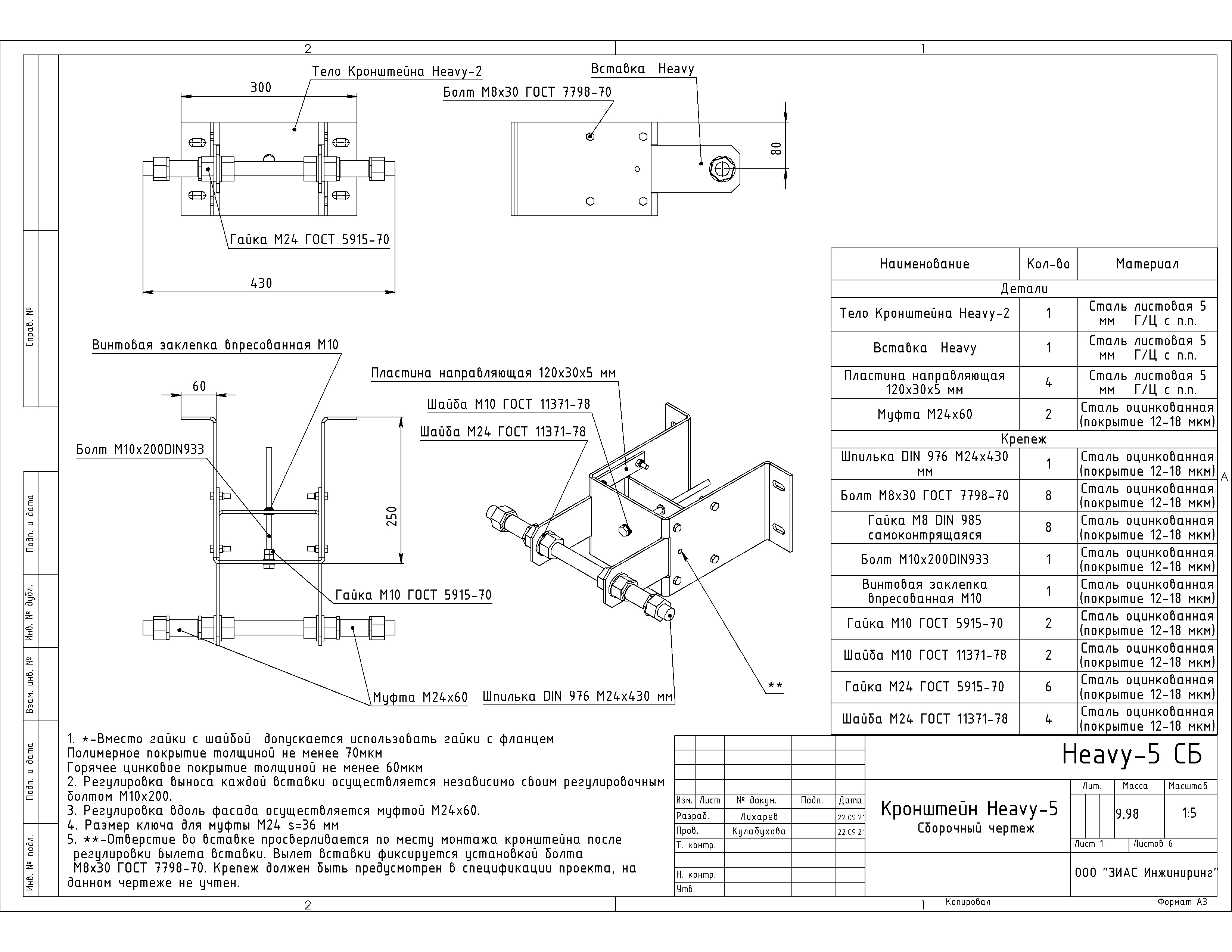
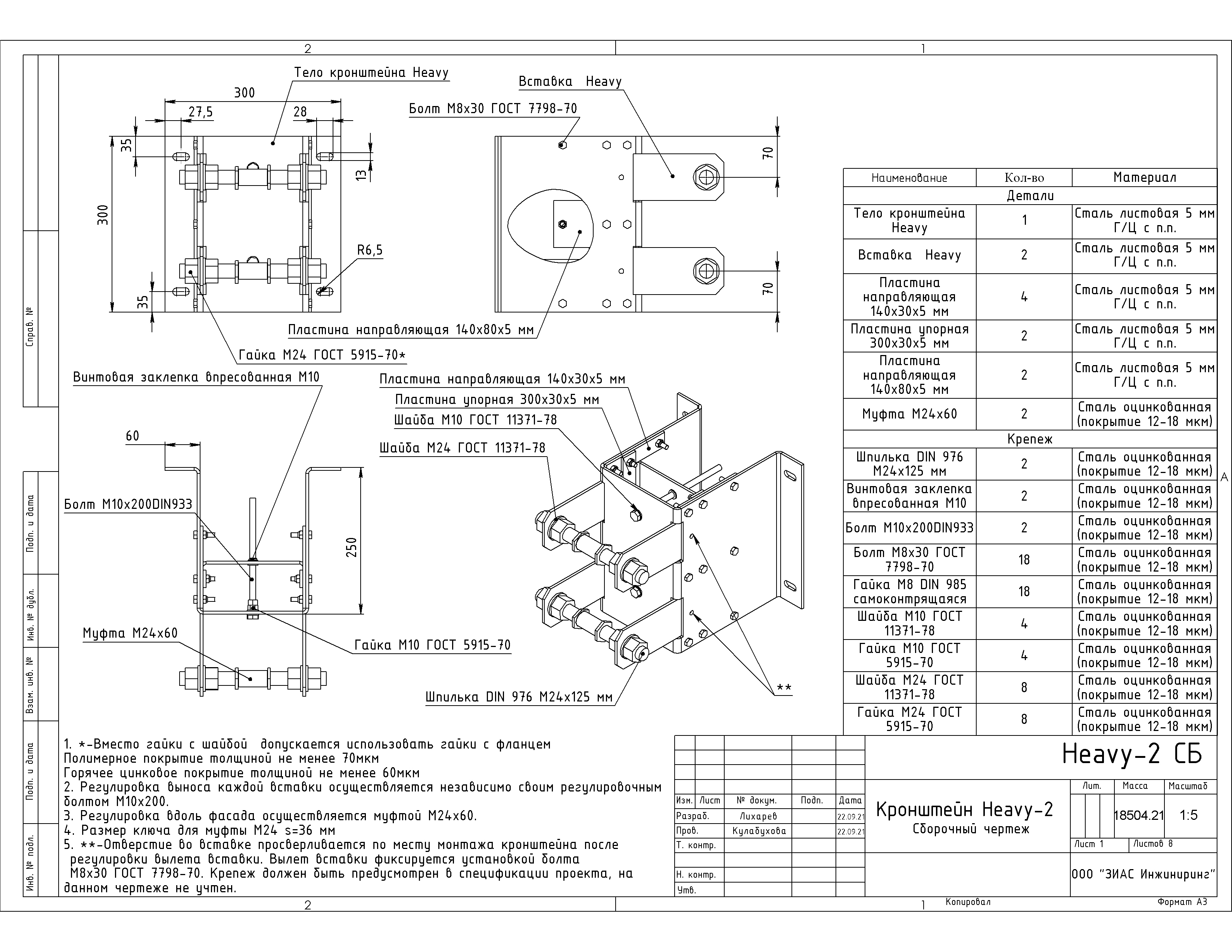
Описание
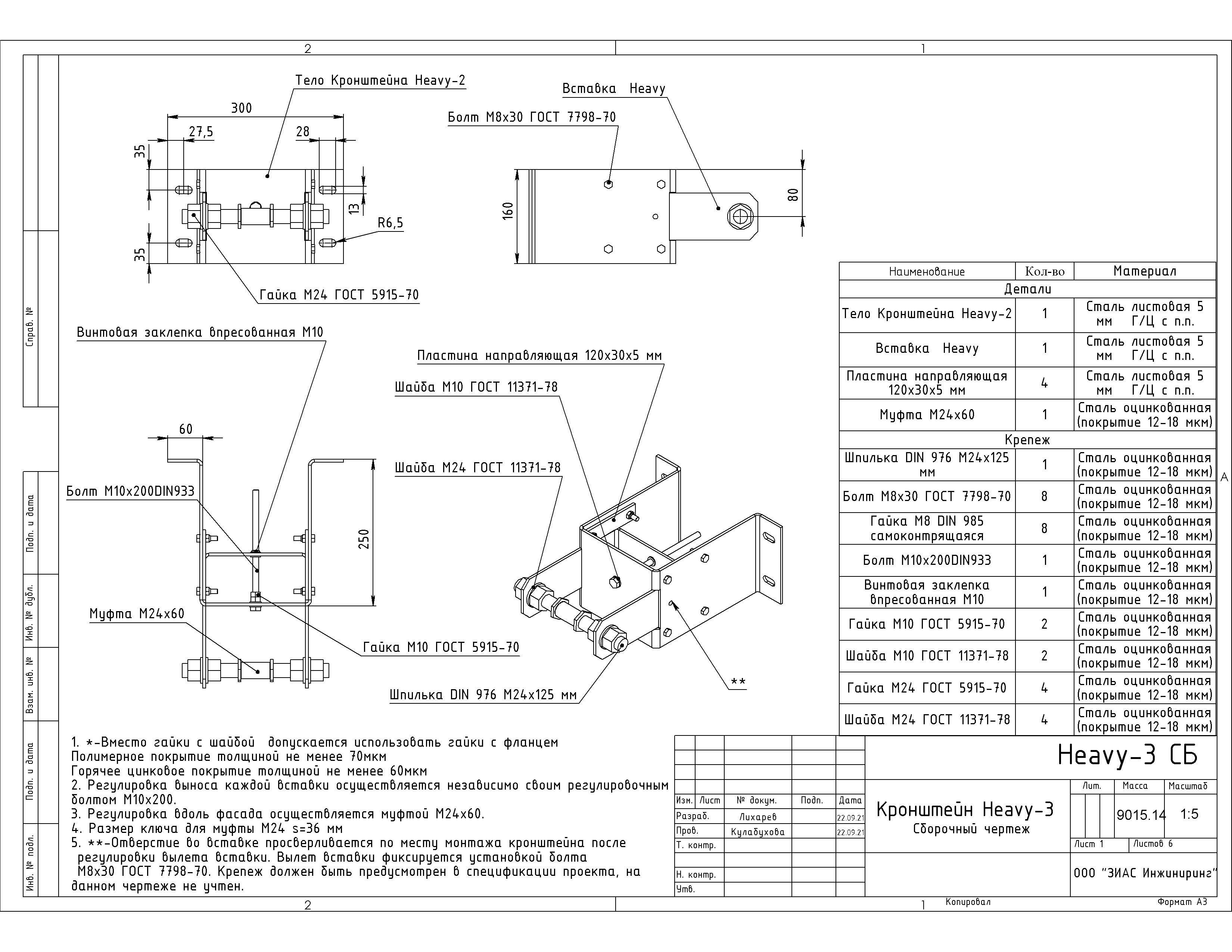
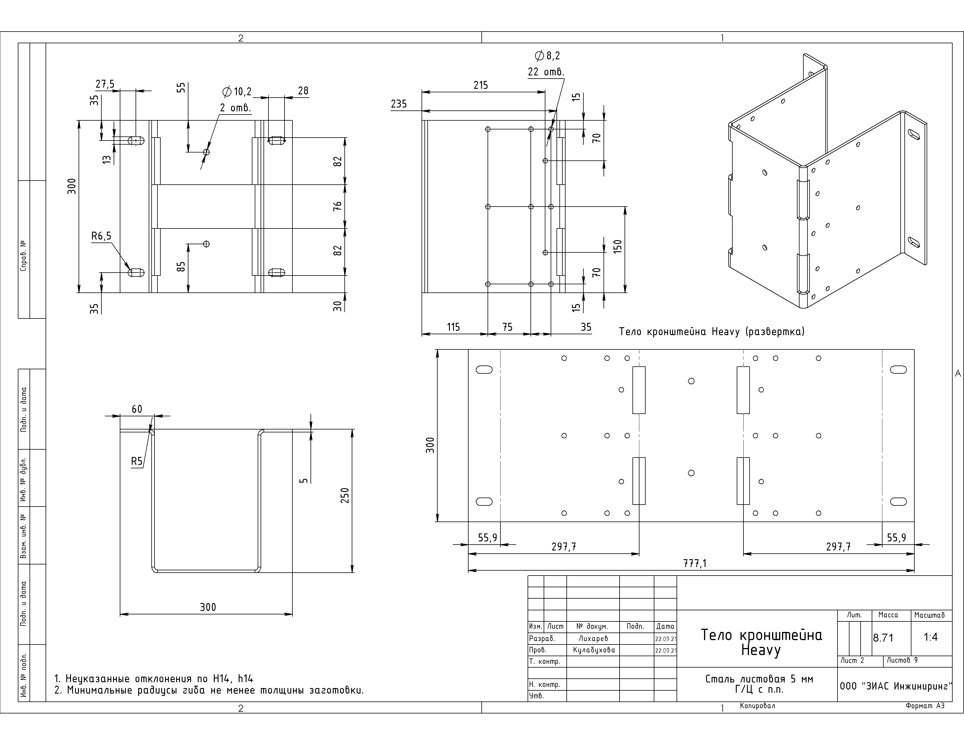
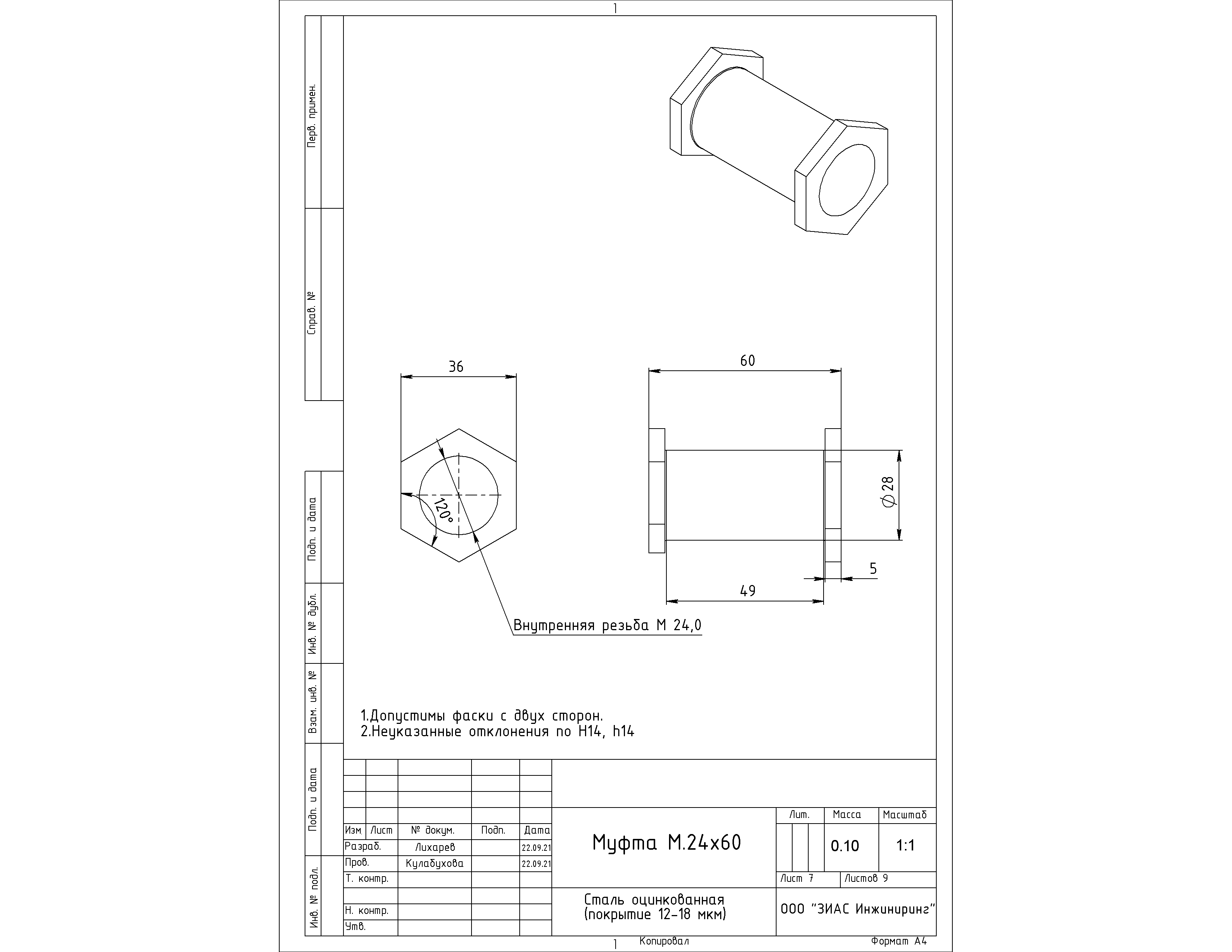
Кронштейн
Презентация проекта
Оценили проект:
0
×
Оценили проект
×
Авторизация
Для того чтобы оценивать проекты, вам нужно войти на сайт
Другие проекты
Все проекты
Lamp_Beeline
Вид сверху
Мини-бизиборда
FREELANCE.RU
Toggle navigation
Нанять фрилансера
Заказчику
Найти по специализации
Найти по услугам
Провести конкурс
Разместить задание
Собрать команду
Другое
Найти работу
Фрилансеру
Найти задание
Присоединиться к команде
Участвовать в конкурсе
Другое
Возможности
Для заказчика
Для фрилансера
Вход
Разместить задание
▲