Расстановка розеток
Для полной функциональности этого сайта необходимо включить JavaScript.
Санкт-Петербург
Амбициозен, иду к своей цели!
Александр Пентегов
is1jet
Рейтинг: 147
не верифицирован
Всего отзывов:
5
0
Выполнил заданий:
3
Нейросаммари
Работ в портфолио:
22
Типовых услуг:
0
Работ на продажу:
2
Возраст:
31 год
Зарегистрирован:
06.10.2018
Был на сайте:
2025-04-14 в 21:57
inbox
vk.com/id109312266
Вконтакте
Предложить работу
Добавить в избранное
Добавить рекомендацию
Пожаловаться
Обучение и Образование
50
0
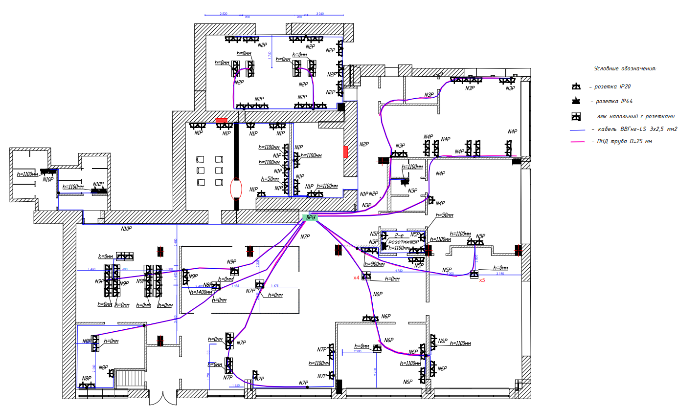
Расстановка розеток
Используемые навыки:
Инженерия
Описание
Решение
Результат
Соавторы
Презентация проекта
Примеры реализации
Описание
Расстановка розеток в офисе с разводкой
Презентация проекта
Оценили проект:
0
×
Оценили проект
×
Авторизация
Для того чтобы оценивать проекты, вам нужно войти на сайт
Другие проекты
Все проекты
Однолинейная схема ООО "Газпром" г. Ноябрьск
Расстановка светильников и разводка в офисе
Прайс лист
FREELANCE.RU
Toggle navigation
Нанять фрилансера
Заказчику
Найти по специализации
Найти по услугам
Провести конкурс
Разместить задание
Виртуальный HR
Найти студию
Другое
Найти работу
Фрилансеру
Найти задание
Присоединиться к команде
Участвовать в конкурсе
Предложить услугу
Другое
Возможности
Для заказчика
Для фрилансера
Вход
Разместить задание
▲