Рейтинг: 130
не верифицирован
Всего отзывов: 5 0
Выполнила заданий: 6
  • Работ в портфолио: 45
  • Типовых услуг: 0
  • Работ на продажу: 0
  • Зарегистрирован: 21.01.2018
Была на сайте:

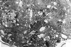
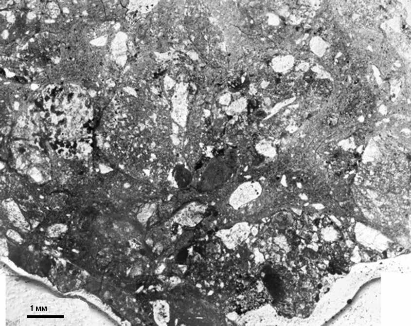
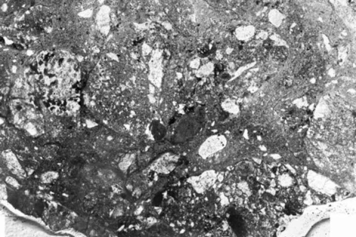
Метеорит Ямато

Используемые навыки:

Описание

Метеориты – нередкие гости для Земли. Мелких осколков по всему земному шару выпадает каждый год немало, бывают даже целые «метеоритные дожди». Большая часть, к счастью, до поверхности не долетает, сгорает в верхних слоях атмосферы. Но встречаются и очень крупные объекты, которые не сгорают или сгорают не полностью и могут причинить немало бед, свалившись на землю. Что, возможно, и бывало в прошлом.
Для ученых обломки таких «космических странников» - просто находка. Ведь они могут немало рассказать о тех местах, откуда прибыли. Вот такой уникальный объект обнаружился в Антарктиде в 2000 году. Назвали метеорит Ямато, потому как его нашли в одноименном леднике.
По мнению ученых, он образовался на Марсе, скорее всего, в результате вулканической деятельности. Причем очень давно, более миллиарда лет назад. Затем 12 миллионов лет назад взрыв расколол Марсианскую поверхность. Куски лавовой породы разлетелись на огромные расстояния, один такой кусок долго путешествовал по космосу, а потом достиг Земли, примерно 50 тысяч лет назад.
Сам по себе объект совсем небольшой, чуть больше 13 кг. Но даже и такие метеориты, влетая в атмосферу с огромной скоростью, могут принести огромные разрушения. Считается, что именно вторжение метеоритов и астероидов вызывало в прошлом катаклизмы, изменение климата и вымирание живых существ. К счастью, большие обломки достигают земли не очень часто.
В основном метеориты, найденные на Земле – лунного происхождения. А «гости» с иных планет у нас редкость. Вот метеорит Ямато – как раз такая редкость. Он именно с Марса.
А с точки зрения науки данный метеорит очень интересен не только своим происхождением, но и составом. В нем найдены следы биологической активности. Это может свидетельствовать, что на Марсе в далеком прошлом имелась жизнь. Но ученые не спешат с выводами и тем более с сенсациями. Ведь любой космический объект, который достаточно долго пролежал на земной поверхности может «впитать» в себя земные же бактерии. Так что говорить о том, что найдены именно следы марсианской жизни,

Ссылки на примеры реализации

 zen.yandex.ru/media/nakedspace/meteorit-iamato--go...

Презентация проекта

pic3589857.jpg

Оценили проект:

0