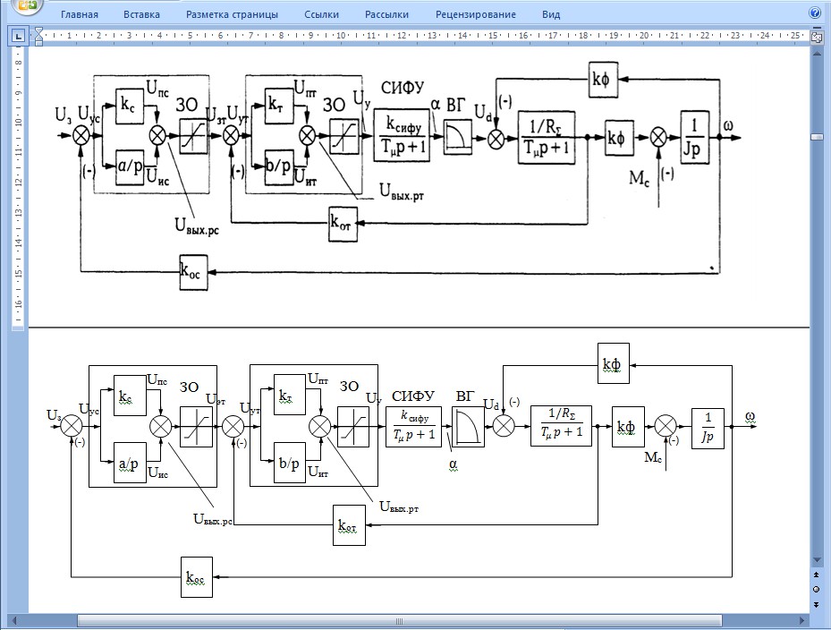
Электрическая схема в MS Word
Для полной функциональности этого сайта необходимо включить JavaScript.
Красноярск
45 лет
На сайте с: 22.09.2013
Елена Тимофеева
e_le_n
Рейтинг: 290
не верифицирован
Всего отзывов:
9
0
Выполнила заданий:
11
Нейросаммари
Активность:
Работ в портфолио:
55
Типовых услуг:
0
Работ на продажу:
0
Была на сайте:
2025-10-15 в 16:05
inbox
408902@mail.ru
Предложить работу
Добавить в избранное
Добавить рекомендацию
Пожаловаться
Инженерия
30
0
Электрическая схема в MS Word
Используемые навыки:
Чертежи/Схемы
Описание
Решение
Результат
Соавторы
Презентация проекта
Примеры реализации
Описание
Презентация проекта
Оценили проект:
0
×
Оценили проект
×
Авторизация
Для того чтобы оценивать проекты, вам нужно войти на сайт
Другие проекты
Все проекты
Работа 3587893
Работа 3587876
Схемы и таблицы в MS Word
FREELANCE.RU
Toggle navigation
Нанять фрилансера
Заказчику
Найти по специализации
Найти по услугам
Провести конкурс
Разместить задание
Другое
Найти работу
Фрилансеру
Найти задание
Присоединиться к команде
Участвовать в конкурсе
Другое
Возможности
Для заказчика
Для фрилансера
Вход
Разместить задание
▲