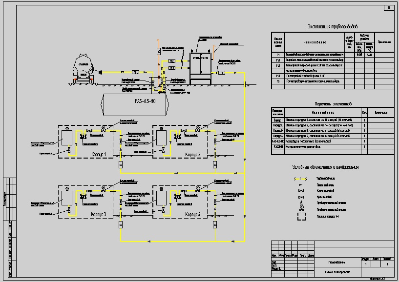
Газоснабжение
Для полной функциональности этого сайта необходимо включить JavaScript.
Ставрополь
На сайте с: 23.10.2015
Игорь
gigastroystav
Рейтинг: 96
не верифицирован
Всего отзывов:
1
0
Выполнил заданий:
2
Опубликовал заданий:
5
Работ в портфолио:
41
Типовых услуг:
0
Работ на продажу:
0
Был на сайте:
2025-10-21 в 12:19
Предложить работу
Добавить в избранное
Добавить рекомендацию
Пожаловаться
Инженерия
20
0
Газоснабжение
Описание
Решение
Результат
Соавторы
Презентация проекта
Примеры реализации
Описание
Презентация проекта
Оценили проект:
0
×
Оценили проект
×
Авторизация
Для того чтобы оценивать проекты, вам нужно войти на сайт
Другие проекты
Все проекты
Вентиляция школы
Вентиляция цирк
Revit 2024
FREELANCE.RU
Toggle navigation
Нанять фрилансера
Заказчику
Найти по специализации
Найти по услугам
Провести конкурс
Разместить задание
Другое
Найти работу
Фрилансеру
Найти задание
Присоединиться к команде
Участвовать в конкурсе
Другое
Возможности
Для заказчика
Для фрилансера
Вход
Разместить задание
▲