ЯУО
Для полной функциональности этого сайта необходимо включить JavaScript.
Москва
3D разработка | ЭС ЭМ ЭО
Андрей Демченков
dyuva
Рейтинг: 271
не верифицирован
Всего отзывов:
24
0
Выполнил заданий:
33
Нейросаммари
Активность:
Работ в портфолио:
61
Типовых услуг:
0
Работ на продажу:
0
Зарегистрирован:
28.05.2013
Был на сайте:
2025-11-04 в 08:39
+79997651002
inbox
telegram
MAX
whatsapp
art@demchenkov.ru
art.demchenkov.ru
Предложить работу
Добавить в избранное
Добавить рекомендацию
Пожаловаться
Инженерия
44
0
ЯУО
Используемые навыки:
Электроснабжение
Описание
Решение
Результат
Соавторы
Презентация проекта
Примеры реализации
Описание
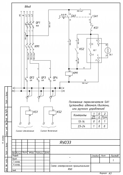
Ящик управления освещением
Презентация проекта
Оценили проект:
0
×
Оценили проект
×
Авторизация
Для того чтобы оценивать проекты, вам нужно войти на сайт
Другие проекты
Все проекты
Стеллаж для АКБ
КТПН 1000-10-0.4 кк (схема) (4)
Поперечний профиль а/д (3,4)
FREELANCE.RU
Toggle navigation
Нанять фрилансера
Заказчику
Найти по специализации
Найти по услугам
Провести конкурс
Разместить задание
Виртуальный HR
Найти студию
Другое
Найти работу
Фрилансеру
Найти задание
Присоединиться к команде
Участвовать в конкурсе
Предложить услугу
Другое
Возможности
Для заказчика
Для фрилансера
Вход
Разместить задание
▲