РУВН КСО-298
Для полной функциональности этого сайта необходимо включить JavaScript.
Москва
3D разработка | ЭС ЭМ ЭО
Андрей Демченков
dyuva
Рейтинг: 271
не верифицирован
Всего отзывов:
24
0
Выполнил заданий:
33
Нейросаммари
Активность:
Работ в портфолио:
61
Типовых услуг:
0
Работ на продажу:
0
Зарегистрирован:
28.05.2013
Был на сайте:
2025-11-04 в 08:39
+79997651002
inbox
telegram
MAX
whatsapp
art@demchenkov.ru
art.demchenkov.ru
Предложить работу
Добавить в избранное
Добавить рекомендацию
Пожаловаться
Инженерия
61
0
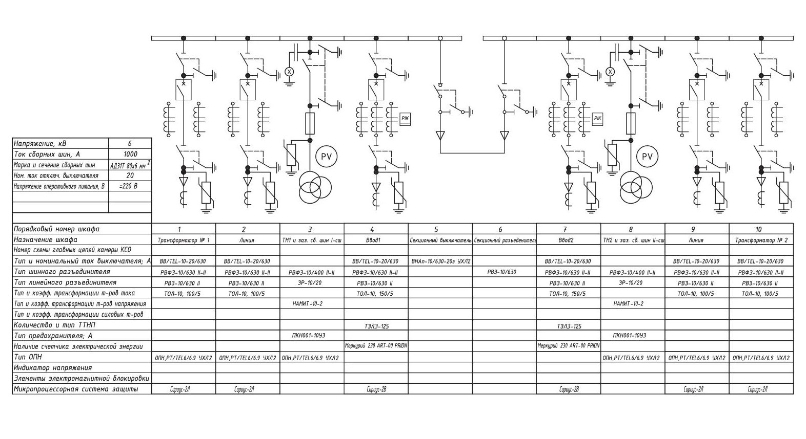
РУВН КСО-298
Используемые навыки:
Электроснабжение
Описание
Решение
Результат
Соавторы
Презентация проекта
Примеры реализации
Описание
Презентация проекта
Оценили проект:
0
×
Оценили проект
×
Авторизация
Для того чтобы оценивать проекты, вам нужно войти на сайт
Другие проекты
Все проекты
Панель пола блочной трансформаторной подстанции в бет. оболочке
ЯУО
Распределительный щит
FREELANCE.RU
Toggle navigation
Нанять фрилансера
Заказчику
Каталог фрилансеров
Каталог PRO
Каталог студий
Каталог услуг
Каталог работ
Виртуальный HR
Умный поиск
Провести конкурс
Разместить задание
Найти работу
Найти задание
Присоединиться к команде
Участвовать в конкурсе
Предложить услугу
Вход
Разместить задание
▲