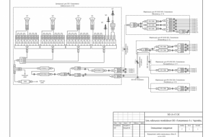
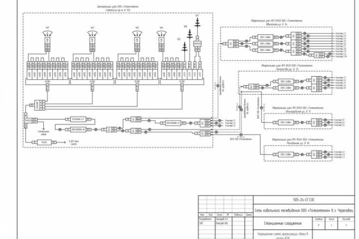
Головная станция КТВ + оптика г. Череповец
Для полной функциональности этого сайта необходимо включить JavaScript.
Санкт-Петербург
На сайте с: 16.05.2014
Василий Г.
the19
Рейтинг: 78
не верифицирован
Всего отзывов:
0
Опубликовал заданий:
2
Нейросаммари
Работ в портфолио:
18
Типовых услуг:
0
Работ на продажу:
0
Был на сайте:
2025-06-27 в 22:30
Предложить работу
Добавить в избранное
Добавить рекомендацию
Пожаловаться
Инженерия
26
0
Головная станция КТВ + оптика г. Череповец
Используемые навыки:
Слаботочные системы
Описание
Решение
Результат
Соавторы
Презентация проекта
Примеры реализации
Описание
Презентация проекта
Оценили проект:
0
×
Оценили проект
×
Авторизация
Для того чтобы оценивать проекты, вам нужно войти на сайт
Другие проекты
Все проекты
Автоматизация паспортов сварок оптических волокон
PON сети Ростелеком, все регионы
ЦГС и АГС оптической сети
FREELANCE.RU
Toggle navigation
Нанять фрилансера
Заказчику
Найти по специализации
Найти по услугам
Провести конкурс
Разместить задание
Виртуальный HR
Другое
Найти работу
Фрилансеру
Найти задание
Присоединиться к команде
Участвовать в конкурсе
Предложить услугу
Другое
Возможности
Для заказчика
Для фрилансера
Вход
Разместить задание
▲