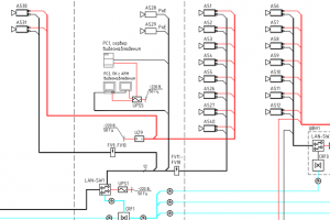
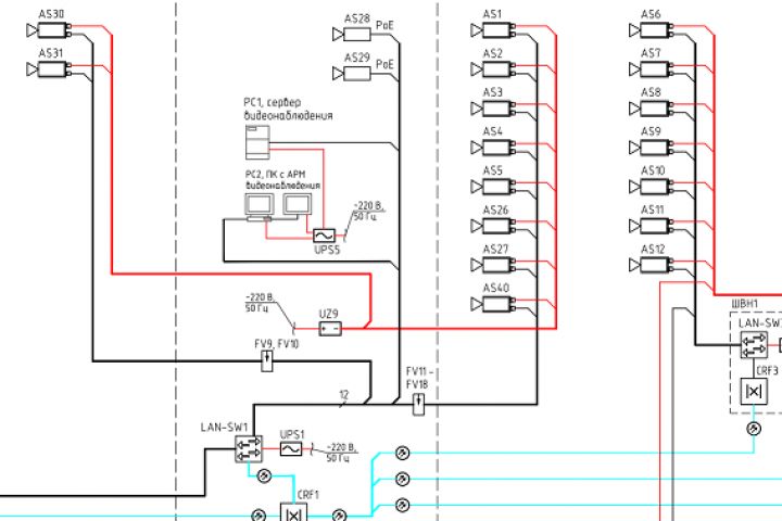
Схема структурная видеонаблюдения
Для полной функциональности этого сайта необходимо включить JavaScript.
На сайте с: 05.02.2016
Системы связи и сигнализации
Алексей СС
fire_alarm
Рейтинг: 441
не верифицирован
Всего отзывов:
36
0
Выполнил заданий:
49
Нейросаммари
Активность:
Работ в портфолио:
51
Типовых услуг:
3
Работ на продажу:
0
Был на сайте:
2024-11-25 в 18:00
inbox
Предложить работу
Добавить в избранное
Добавить рекомендацию
Пожаловаться
Инженерия
38
0
Схема структурная видеонаблюдения
Используемые навыки:
Слаботочные системы
Описание
Решение
Результат
Соавторы
Презентация проекта
Примеры реализации
Описание
Презентация проекта
Оценили проект:
0
×
Оценили проект
×
Авторизация
Для того чтобы оценивать проекты, вам нужно войти на сайт
Другие проекты
Все проекты
Перевод схемы из формата PDF в VSD (Visio)
Эскиз расположения оборудования ВН в 19" шкафу
Программирование ИСБ "Орион"
FREELANCE.RU
Toggle navigation
Нанять фрилансера
Заказчику
Найти по специализации
Найти по услугам
Провести конкурс
Разместить задание
Виртуальный HR
Другое
Найти работу
Фрилансеру
Найти задание
Присоединиться к команде
Участвовать в конкурсе
Другое
Возможности
Для заказчика
Для фрилансера
Вход
Разместить задание
▲