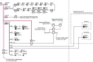
Схема структурная АУПС и СОУЭ
Для полной функциональности этого сайта необходимо включить JavaScript.
На сайте с: 05.02.2016
Системы связи и сигнализации
Алексей СС
fire_alarm
Рейтинг: 441
не верифицирован
Всего отзывов:
36
0
Выполнил заданий:
49
Нейросаммари
Активность:
Работ в портфолио:
51
Типовых услуг:
3
Работ на продажу:
0
Был на сайте:
2024-11-25 в 18:00
inbox
Предложить работу
Добавить в избранное
Добавить рекомендацию
Пожаловаться
Инженерия
44
0
Схема структурная АУПС и СОУЭ
Используемые навыки:
Слаботочные системы
Описание
Решение
Результат
Соавторы
Презентация проекта
Примеры реализации
Описание
Презентация проекта
Оценили проект:
0
×
Оценили проект
×
Авторизация
Для того чтобы оценивать проекты, вам нужно войти на сайт
Другие проекты
Все проекты
План АУПС и СОУЭ
Зоны обора видеокамер
Схемы организации связи
FREELANCE.RU
Toggle navigation
Нанять фрилансера
Заказчику
Найти по специализации
Найти по услугам
Провести конкурс
Разместить задание
Виртуальный HR
Другое
Найти работу
Фрилансеру
Найти задание
Присоединиться к команде
Участвовать в конкурсе
Другое
Возможности
Для заказчика
Для фрилансера
Вход
Разместить задание
▲