Рейтинг: 2 340
не верифицирован
Всего отзывов: 7 0
Профессионализм: 10 Коммуникация: 10
Выполнил заданий: 10
  • Работ в портфолио: 7
  • Типовых услуг: 0
  • Работ на продажу: 0
  • Зарегистрирован: 27.07.2025
  • Образование: Магистратура
  • Юридический статус:Самозанятый
Был на сайте:

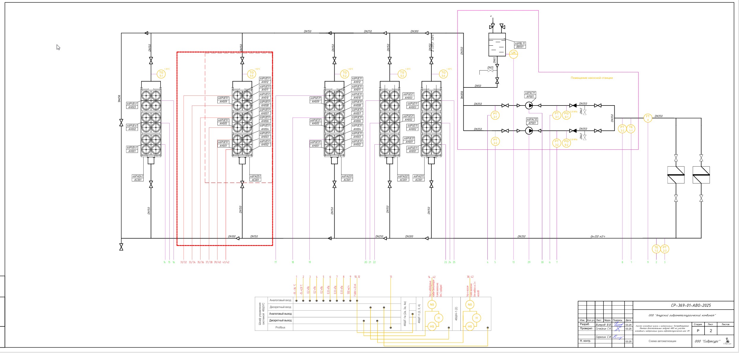
Автоматизация участка охлаждения пульпы

Описание

Необходимо было модернизировать аппараты воздушного охлаждения на гидрометаллургическом комбинате

Результат

Производительность цеха выросла на 25%

Презентация проекта

Скриншот 12-03-2026 051213.jpg

Оценили проект:

0