Рейтинг: 1 808
не верифицирован
Всего отзывов: 19 1
Профессионализм: 10 Коммуникация: 10
Выполнил заданий: 22
  • Активность:
  • Работ в портфолио: 4
  • Типовых услуг: 0
  • Работ на продажу: 0
Был на сайте:

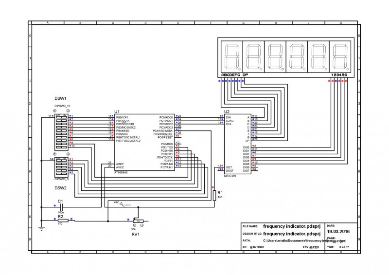
Устройство на базе мк. ATmega8a и MAX7219 для индикации частоты

Используемые навыки:

Описание

Устройство на базе микроконтроллера AVR ATmega8a-PU и MAX7219 - драйвера 8-ми сегментных индикаторов с последовательным интерфейсом, предназначенное для индикации набранной частоты в радиостанции Р-862.
Программа для мк + моделирование в Proteus.

Презентация проекта

pic2728390.jpg

Оценили проект:

0