Разрабатываю проекты АСУТП, программирую ПЛК, СКАДА.

Константин Владимирович Ламсардис lamsardis

Рейтинг: 1 165
Верифицирован через Сбер ID
Всего отзывов: 0
  • Работ в портфолио: 5
  • Типовых услуг: 2
  • Работ на продажу: 0
  • Образование: Магистратура
  • Стаж работы: 32 года
  • Тип занятости: Полный фриланс
  • Юридический статус:Самозанятый
Был на сайте:

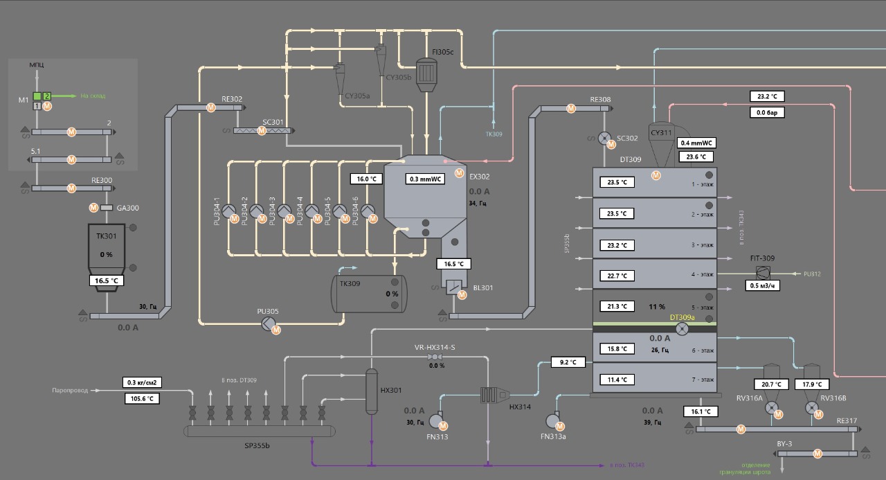
Разработка ПО АСУТП маслоэкстракционного завода

Описание

Автоматизация технологических процессов маслоэкстракционного завода, реализованы работы двух цехов по двум очередям: рушально-веечного и маслопрессового. SCADA располагается на 4 мониторах fullHD.

Решение

Автоматизация цеха экстракции на Маслоэкстракционный заводе, включает себя управление исполнительными механизмами, контроль и поддержание множества параметров в том числе за счет PID регуляторов.

Презентация проекта

WhatsApp Image 2025-10-24 at 13.11.47.jpeg
WhatsApp Image 2025-10-24 at 13.12.00.jpeg

Оценили проект:

0