Рейтинг: 738
Паспорт верифицирован
Всего отзывов: 0
  • Работ в портфолио: 20
  • Типовых услуг: 0
  • Работ на продажу: 0
Был на сайте:

Описание

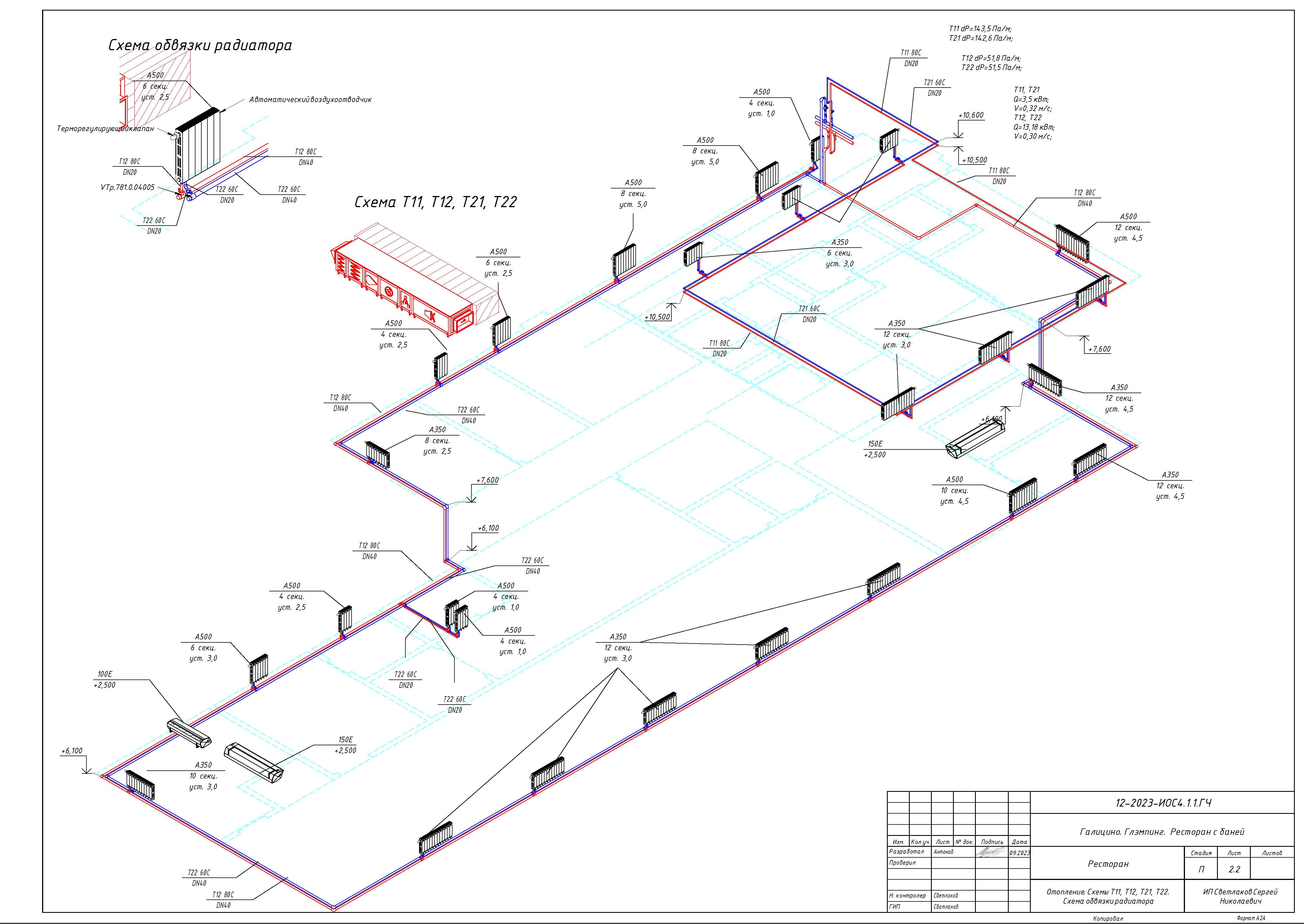
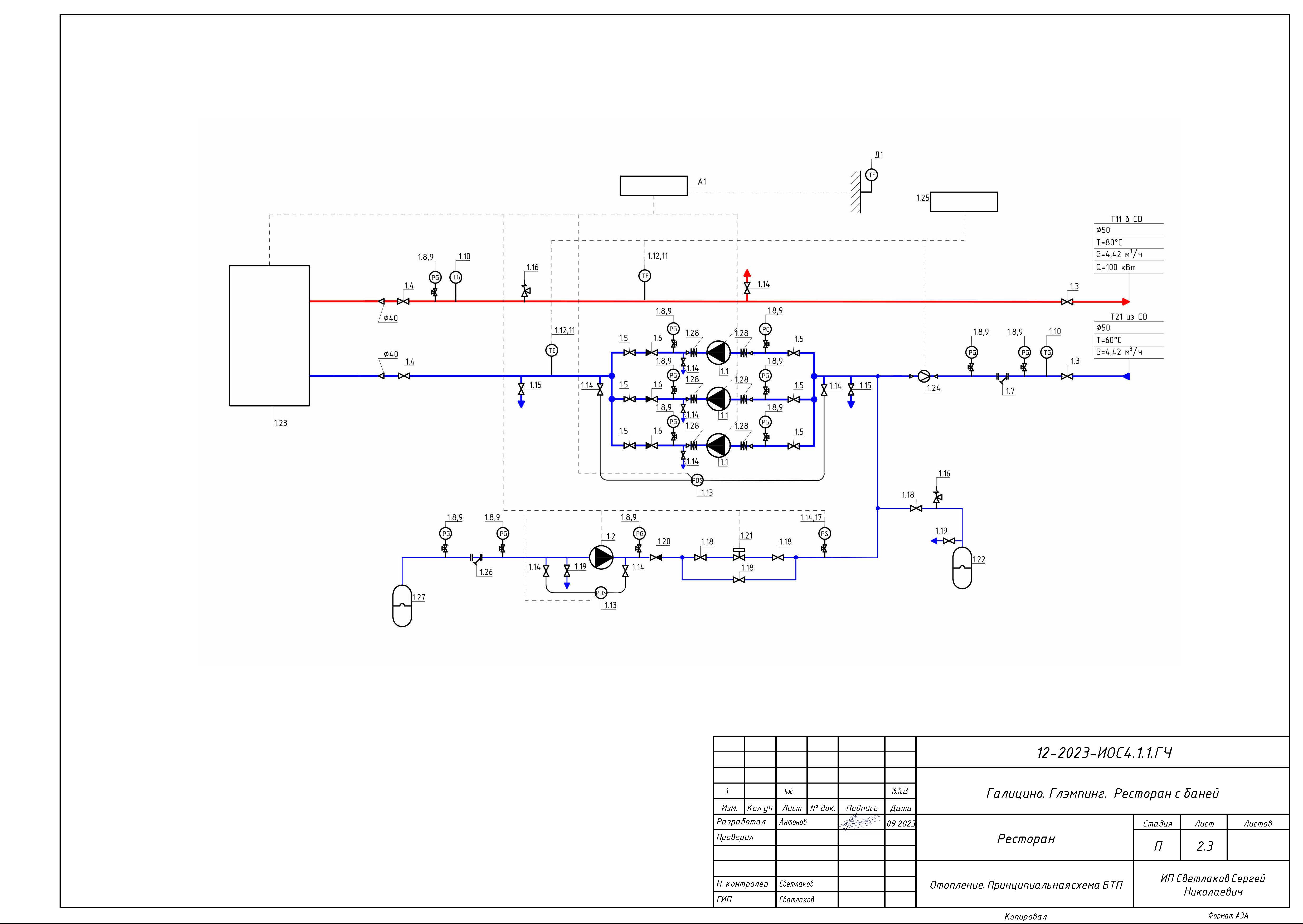
Выполнить проект ОВиК ресторана с гостиными номерами, баней и массажным кабинетом.
Отопление электрическое с возможностью дальнейшей замены котла на газовый.

Решение

Запрошены исходные данные.
Подобрано оборудование.
Выполнен проект стадии П согласно требованиям действующей нормативной документации и техническому заданию.
Проект согласован с исполнителями "смежных разделов" и заказчиком.
Выданы задания по "смежным разделам".

Результат

Проект принят заказчиком, по экспертизе замечаний нет.
Получает разрешение для строительства объекта.

Ссылки на примеры реализации

 disk.yandex.ru/i/m6AHRBnyBsAPXQ

Презентация проекта

1.jpg
2.jpg
3.jpg
4.jpg
5.jpg
6.jpg
7.jpg
8.jpg
9.jpg
10.jpg

Оценили проект:

0