Рейтинг: 53
Паспорт верифицирован
Всего отзывов: 0
  • Работ в портфолио: 3
  • Типовых услуг: 0
  • Работ на продажу: 0
  • Возраст: 26 лет
  • Стаж работы: 3 года
  • Зарегистрирован: 07.04.2025
  • Образование: Бакалавриат
  • Юридический статус:Частное лицо
Был на сайте:

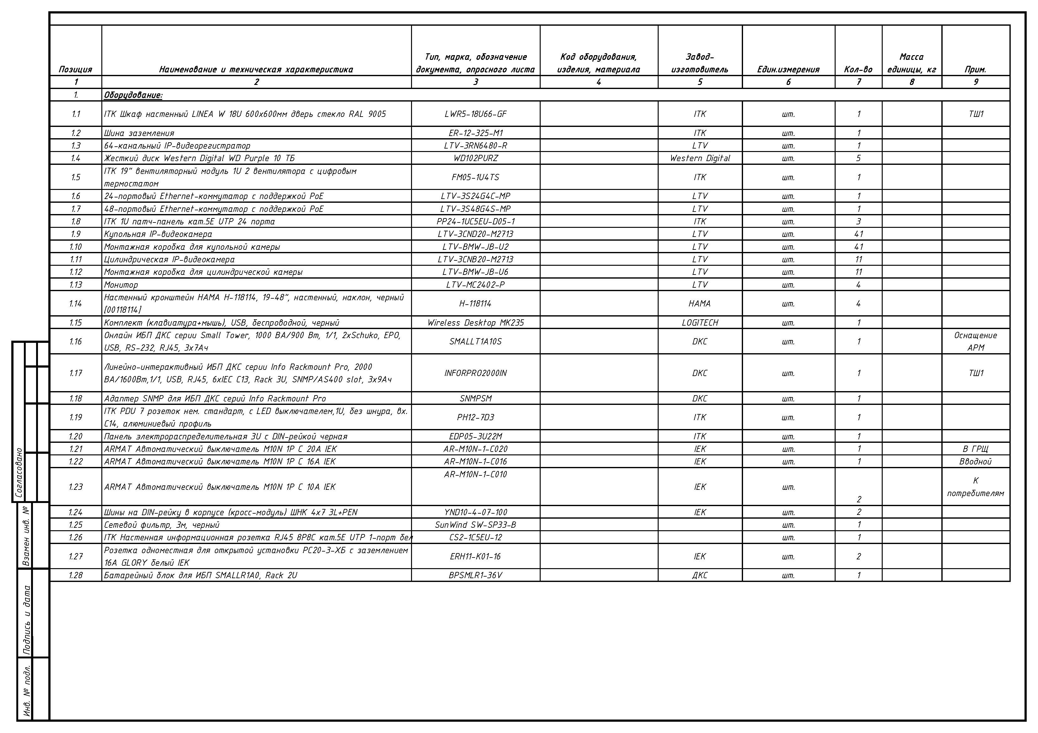
Система видеонаблюдения в школе

Используемые навыки:

Описание

Разработка рабочей документации системы видеонаблюдения для школы.

Решение

Проведено обследование, собраны необходимые данные для проектирования системы. Разработана документация в соответствии с заданием.

Презентация проекта

1.jpg
2.jpg
3.jpg
4.jpg
5.jpg
6.jpg
7.jpg
8.jpg
9.jpg
10.jpg

Оценили проект:

0