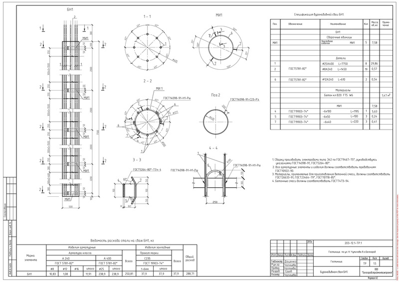
Буронабивная свая
Для полной функциональности этого сайта необходимо включить JavaScript.
Белгород
Всегда думай о том: ЧЕМ нагружаешь и ЧТО нагружаешь
Сергей Ершов
serjio484
Рейтинг: 352
Паспорт верифицирован
Всего отзывов:
21
0
Выполнил заданий:
22
Нейросаммари
Активность:
Работ в портфолио:
102
Типовых услуг:
4
Работ на продажу:
0
Стаж работы:
15 лет
Зарегистрирован:
26.09.2014
Образование:
Cпециалитет
Юридический статус:
ИП
Был на сайте:
2026-04-02 в 16:13
8-960-623-29-85
inbox
telegram
whatsapp
ershov@belproekt.com
belproekt.com
Youtube
Предложить работу
Добавить в избранное
Добавить рекомендацию
Пожаловаться
Инженерия
300
0
Буронабивная свая
Используемые навыки:
Строительные конструкции
Описание
Решение
Результат
Соавторы
Презентация проекта
Примеры реализации
Описание
Презентация проекта
Оценили проект:
0
×
Оценили проект
×
Авторизация
Для того чтобы оценивать проекты, вам нужно войти на сайт
Другие проекты
Все проекты
Реконструкция магазина
Коттедж из монолитного ж/б каркаса и блоков Ytong
Монолитная плита перекрытия (ниж. армирование)
FREELANCE.RU
Toggle navigation
Нанять фрилансера
Заказчику
Каталог фрилансеров
Каталог студий
Каталог услуг
Каталог работ
Виртуальный HR
Умный поиск
Провести конкурс
Разместить задание
Найти работу
Фрилансеру
Найти задание
Присоединиться к команде
Участвовать в конкурсе
Предложить услугу
Вход
Разместить задание
▲