Всегда думай о том: ЧЕМ нагружаешь и ЧТО нагружаешь

Сергей Ершов serjio484

Рейтинг: 402
Паспорт верифицирован
Всего отзывов: 21 0
Выполнил заданий: 22
  • Активность:
  • Работ в портфолио: 102
  • Типовых услуг: 4
  • Работ на продажу: 0
  • Образование: Cпециалитет
  • Стаж работы: 15 лет
  • Тип занятости: Полный фриланс
  • Юридический статус:ИП
Был на сайте:

Коттедж из монолитного ж/б каркаса и блоков Ytong

Используемые навыки:

Описание

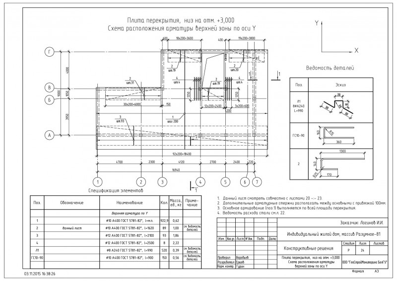
Монолитная плита перекрытия. Армирование верхней зоны

Презентация проекта

pic2559323.jpg

Оценили проект:

0