Коттедж из монолитного ж/б каркаса и блоков Ytong
Для полной функциональности этого сайта необходимо включить JavaScript.
Белгород
На сайте с: 26.09.2014
Всегда думай о том: ЧЕМ нагружаешь и ЧТО нагружаешь
Сергей Ершов
serjio484
Рейтинг: 402
Паспорт верифицирован
Всего отзывов:
21
0
Выполнил заданий:
22
Нейросаммари
Активность:
Работ в портфолио:
102
Типовых услуг:
4
Работ на продажу:
0
Образование:
Cпециалитет
Стаж работы:
15 лет
Тип занятости:
Полный фриланс
Юридический статус:
ИП
Был на сайте:
2026-01-23 в 11:18
8-960-623-29-85
inbox
telegram
whatsapp
ershov@belproekt.com
belproekt.com
Youtube
Предложить работу
Добавить в избранное
Добавить рекомендацию
Пожаловаться
Инженерия
50
0
Коттедж из монолитного ж/б каркаса и блоков Ytong
Используемые навыки:
Проектирование объектов
Описание
Решение
Результат
Соавторы
Презентация проекта
Примеры реализации
Описание
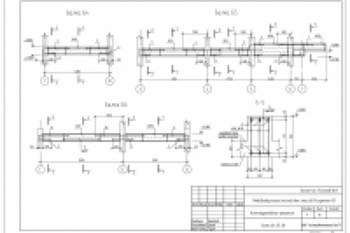
Балки монолитные 2
Презентация проекта
Оценили проект:
0
×
Оценили проект
×
Авторизация
Для того чтобы оценивать проекты, вам нужно войти на сайт
Другие проекты
Все проекты
Коттедж из монолитного ж/б каркаса и блоков Ytong
Реконструкция магазина
Коттедж из Рorotherm
FREELANCE.RU
Toggle navigation
Нанять фрилансера
Заказчику
Найти по специализации
Найти по услугам
Провести конкурс
Разместить задание
Виртуальный HR
Другое
Найти работу
Фрилансеру
Найти задание
Присоединиться к команде
Участвовать в конкурсе
Предложить услугу
Другое
Возможности
Для заказчика
Для фрилансера
Вход
Разместить задание
▲